lemon-mirror:
Home >> GMC >> 2008 >> Envoy 2WD L6-4.2L >> Repair and Diagnosis >> Powertrain Management >> Computers and Control Systems >> Transmission Position Sensor/Switch >> Service and Repair

Transmission Position Sensor/Switch: Service and Repair



Park/Neutral Position Switch Replacement

Tools Required

J 41364-A Park/Neutral Switch Aligner


Removal Procedure

1. Apply the parking brake.
2. Shift the transmission into neutral.
3. Raise the vehicle. Refer to Lifting and Jacking the Vehicle .




4. Remove the nut securing the transmission control lever to the manual shaft.
5. Remove the transmission control lever from the manual shaft.
6. Disconnect the electrical connectors from the switch.
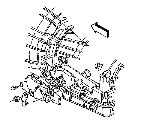
7. Remove the bolts securing the park/neutral position switch to the transmission.
8. Remove the park/neutral position switch from the manual shaft. If the park/neutral position switch did not slide off the manual shaft, file the outer edge of the manual shaft in order to remove any burrs.



Installation Procedure





1. Install the switch to the transmission manual shaft by aligning the switch hub flats with the manual shaft flats.
2. Slide the switch onto the transmission manual shaft until the switch mounting bracket contacts the mounting bosses on the transmission.

Important: If a new switch is being installed, the switch will come with a positive assurance bracket. The positive assurance bracket aligns the new switch in it proper position for installation and the use of neutral position adjustment tool will not be necessary.


3. Install the switch to the transmission with 2 bolts finger tight.




4. Position the tool J 41364-A onto the park/neutral position switch. Ensure that the 2 slots on the switch where the manual shaft is inserted are lined up with the lower 2 tabs on the tool.

Notice: Refer to Fastener Notice .

5. Rotate the tool until the upper locator pin on the tool is lined up with the slot on the top of the switch.

Tighten the bolts securing the switch to 25 N.m (18 lb ft).

6. Remove the J 41364-A from the switch. If installing a new switch, remove the positive assurance bracket at this time.
7. Connect the electrical connectors to the switch.




8. Install the transmission control lever to the manual shaft with the nut.

Tighten the control lever nut to 25 N.m (18 lb ft).

9. Lower the vehicle.
10. Check the switch for proper operation. The engine must start in the P (Park) or N (Neutral) positions only. If proper operation of the switch can not be obtained, replace the switch.