lemon-mirror:
Home >> GMC >> 2008 >> Acadia FWD V6-3.6L >> Repair and Diagnosis >> Diagrams >> Components >> Front of Vehicle/Engine Compartment Component Views

Front of Vehicle/Engine Compartment Component Views



Front of Vehicle/Engine Compartment Component Views

Front of the Vehicle (W49)




1 - Marker Lamp - LF
2 - Headlamp - Left
3 - Park/Turn Signal Lamp - LF
4 - Daytime Running Lamp (DRL) - Left
5 - Fog Lamp - Left
6 - Fog Lamp - Right
7 - Daytime Running Lamp (DRL) - Right
8 - Park/Turn Signal Lamp - Right
9 - Headlamp - Right
10 - Marker Lamp - Right

Front Lights (WDA)




1 - Headlamp - Low Beam - Right
2 - Headlamp - High Beam - Right
3 - Headlamp - High Beam - Left
4 - Headlamp - Low Beam - Left
5 - Marker Lamp - Left Front
6 - Fog Lamp - Left
7 - Turn Signal Lamp - Left Front Lower/Turn Signal Lamp - Left Front Upper
8 - Turn Signal Lamp - Right Front Lower/Turn Signal Lamp - Right Front Upper
9 - Fog Lamp - Right
10 - Marker Lamp - Right Front

Front Lights (Z88)




1 - Headlamp - Low Beam - Right
2 - Headlamp - High Beam - Right
3 - Turn Signal Lamp - Right Front
4 - Headlamp - High Beam - Left
5 - Turn Signal Lamp - Left Front
6 - Headlamp - Low Beam - Left
7 - Marker Lamp - Left Front
8 - Side Marker Lamp - Left Front
9 - Fog Lamp - Left
10 - Fog Lamp - Right
11 - Marker Lamp - Right Front
12 - Side Marker Lamp - Right Front

Front of the Condenser




1 - Front Fascia
2 - Ambient Temperature Sensor

Front Sensors




1 - Inflatable Restraint Front End Sensor - Left
2 - Inflatable Restraint Front End Sensor - Right
3 - Front Fascia

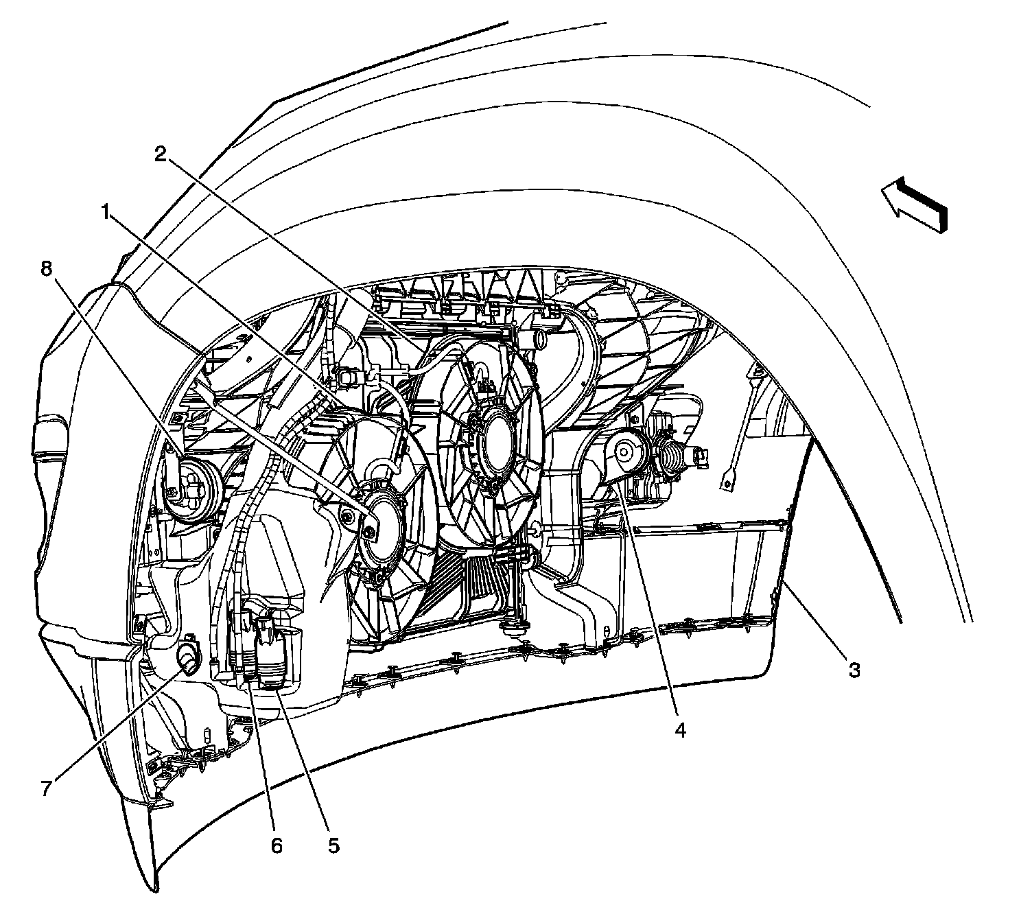
Behind the Front Fascia




1 - Cooling Fan - Left
2 - Cooling Fan - Right
3 - Left Front Fender
4 - Horn - High Note
5 - Windshield Washer Fluid Pump
6 - Rear Window Washer Fluid Pump
7 - Washer Fluid level Sensor
8 - Horn - Low Note

Hood Ajar Switch




1 - Upper Tie Bar
2 - Hood Ajar Switch (AP3/AP8)

G102




1 - G102
2 - Fuse Block - Underhood
3 - Right Front Headlamp

Near the Brake Booster




1 - Brake Fluid Level Switch
2 - Left Fender
3 - G103
4 - G101
5 - G115
6 - G105
7 - Electronic Brake Control Module (EBCM)
8 - Brake Booster Vacuum Sensor

Steering Rack Components (NV7)




1 - Brake Vacuum Booster
2 - Variable Effort Steering Actuator (NV7)

Bottom of the Windshield




1 - Windshield
2 - Windshield Wiper Motor
3 - Windshield Heated Washer Fluid Module (XA7)