lemon-mirror:
Home >> GMC >> 2007 >> Yukon 2WD V8-5.3L >> Repair and Diagnosis >> Body and Frame >> Seats >> Power Seat Control Module >> Locations

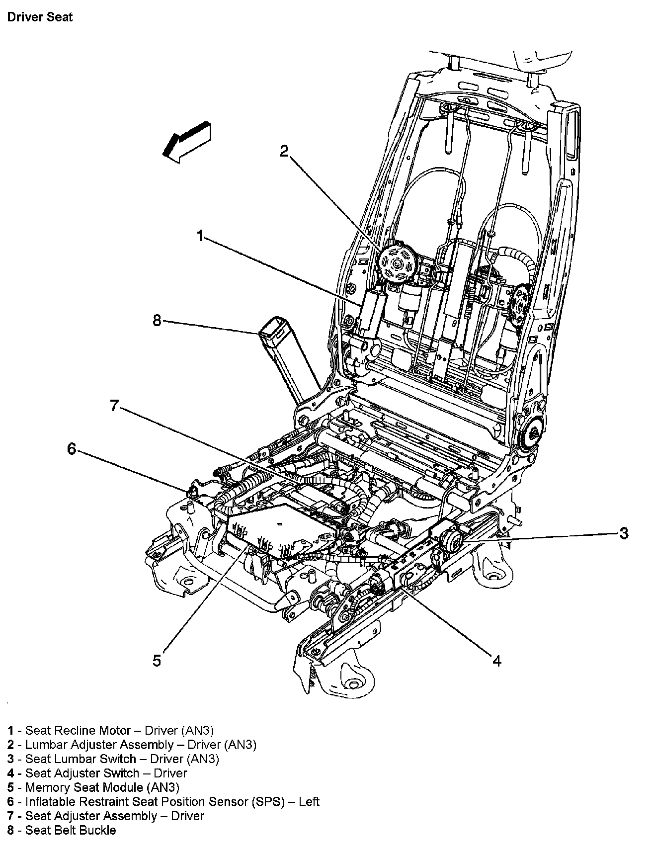
Power Seat Control Module: Locations

Driver Seat: