lemon-mirror:
Home >> GMC >> 2007 >> Envoy 2WD V8-5.3L >> Repair and Diagnosis >> Powertrain Management >> Computers and Control Systems >> Coolant Temperature Sensor/Switch (For Computer) >> Locations

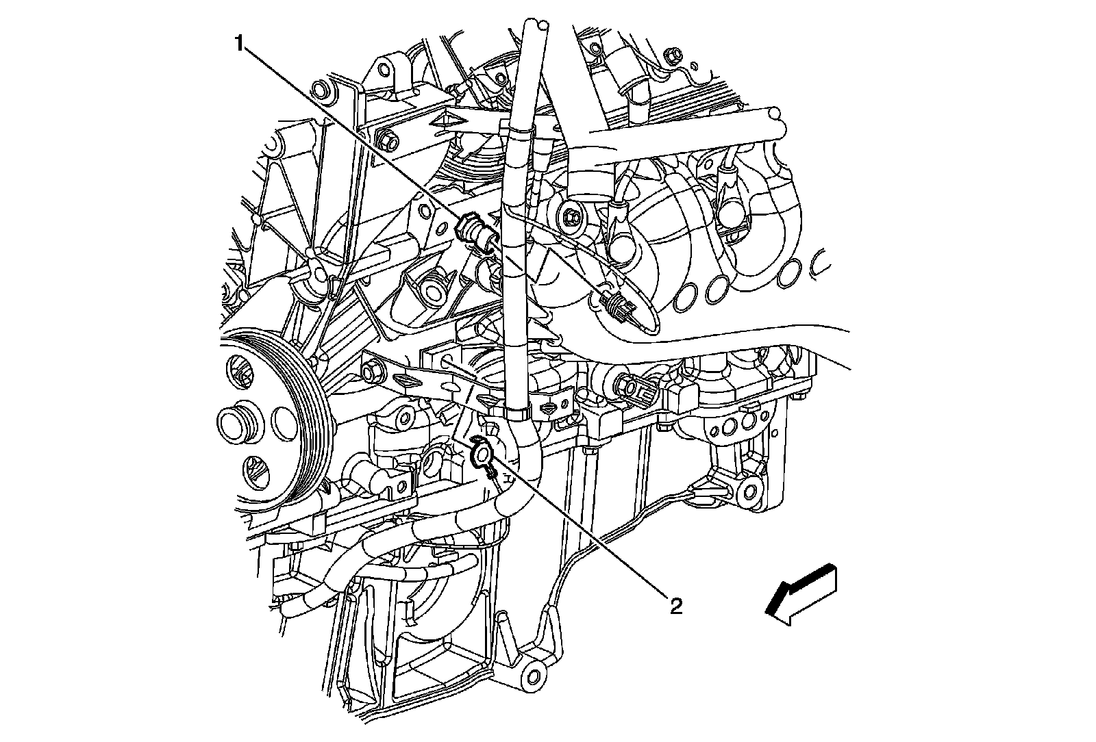
Coolant Temperature Sensor/Switch (For Computer): Locations



Engine Controls Component Views

Left Side of Engine - Front




1 - Engine Coolant Temperature (ECT) Sensor
2 - G108