lemon-mirror:
Home >> GMC >> 2004 >> Jimmy (CANADA) V6-4.3L >> Repair and Diagnosis >> Diagrams >> Exploded Views >> Drive/Propeller Shaft

Drive/Propeller Shaft

Driveline Disassembled Views





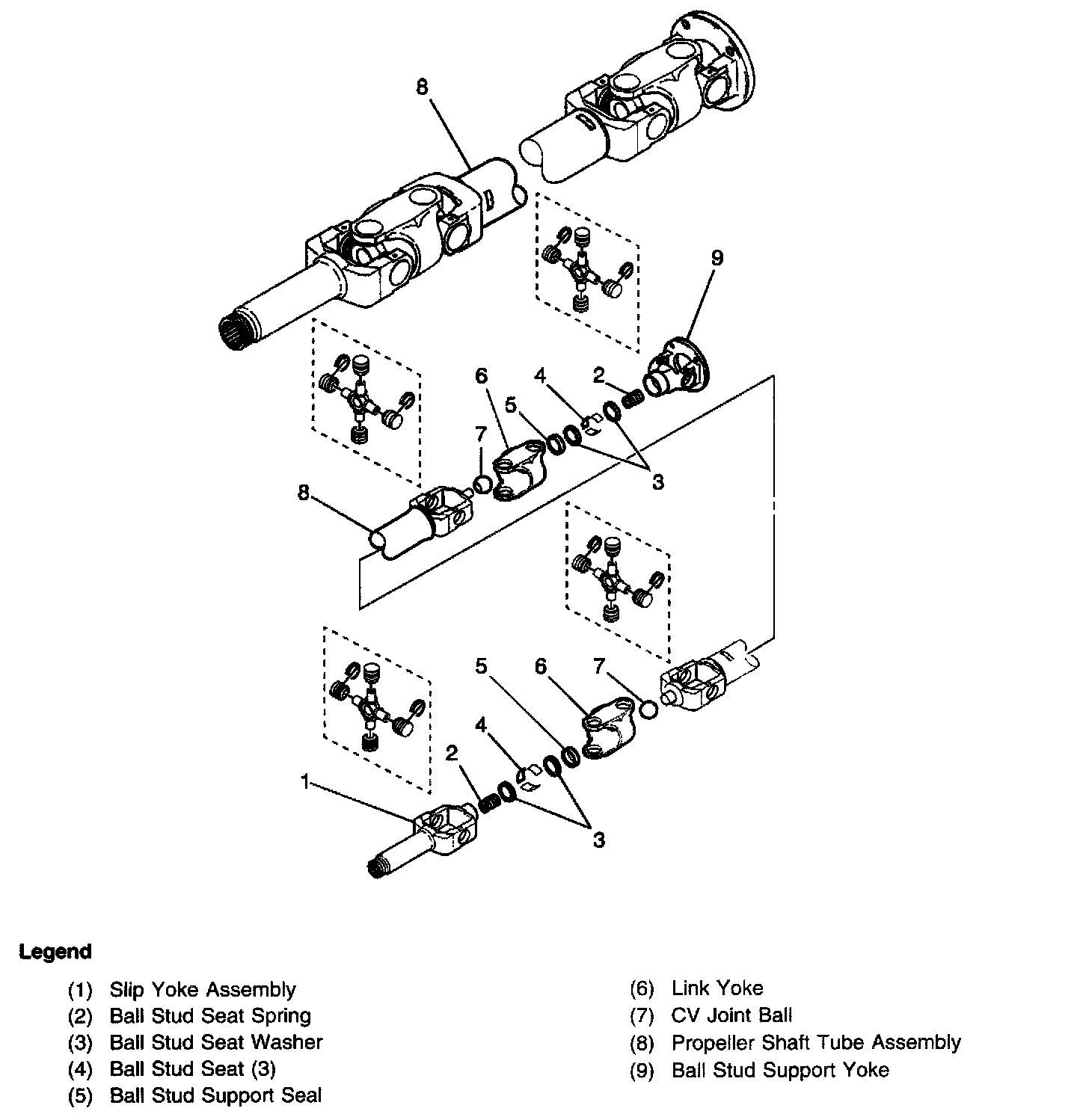
Double Cardan Propeller Shaft





Propeller Shaft with Center Bearing





Front Drive Propeller Shaft