lemon-mirror:
Home >> GMC >> 2004 >> Jimmy (CANADA) V6-4.3L >> Repair and Diagnosis >> Body and Frame >> Mirrors >> Memory Positioning Systems >> Memory Positioning Module >> Service and Repair >> Memory Seat Control Module Replacement

Memory Seat Control Module Replacement

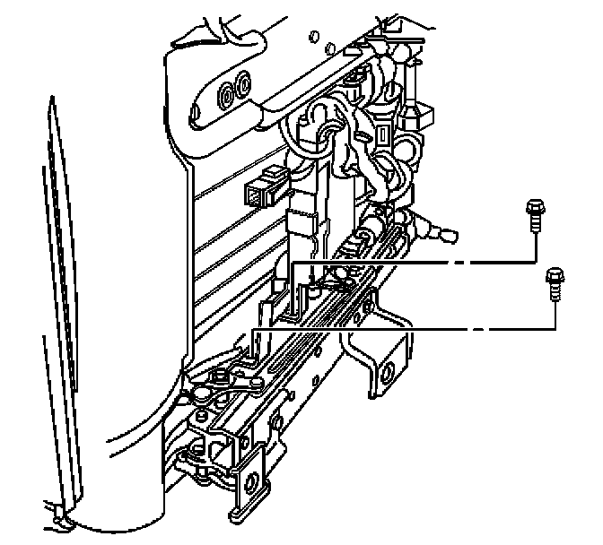
MEMORY SEAT CONTROL MODULE REPLACEMENT

REMOVAL PROCEDURE
1. Remove the front seat from the vehicle.




2. Disconnect the memory seat module harness connectors.




3. Remove the 2 screws securing the memory module bracket to the seat adjuster frame.
4. Remove the memory module bracket with the module.
5. Remove the module from the bracket.

INSTALLATION PROCEDURE




1. Slide the memory seat module into the bracket until the module is seated.

NOTE: Refer to Fastener Notice in Service Precautions.

2. Install the memory seat module and bracket to the seat adjuster frame assembly with 2 screws.

Tighten
Tighten the screws to 3 N.m (26 lb in).




3. Install the memory seat module harness connectors.
4. Install the front seat to the vehicle.
5. Calibrate the seat. Refer to Memory Seat Calibration Procedure.