lemon-mirror:
Home >> GMC >> 2003 >> Jimmy (CANADA) V6-4.3L >> Repair and Diagnosis >> Powertrain Management >> Ignition System >> Relays and Modules - Ignition System >> Ignition Control Module >> Service and Repair

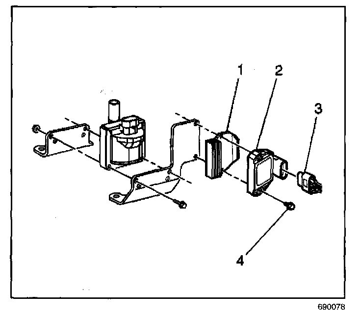
Ignition Control Module: Service and Repair

REMOVAL PROCEDURE




1. Disconnect the electrical connector (3).
2. Remove 2 screws (4) holding the ignition control module (2) and the heat sink (1) to the bracket.
3. Remove the ignition control module and heat sink.

INSTALLATION PROCEDURE




1. Install the ignition control module (2) and the heat sink (1) on the bracket with the 2 screws (4).

NOTE: Refer to Fastener Notice in Service Precautions.

Tighten
Tighten the screws to 3.5 N.m (31 lb in).

2. Reconnect the electrical connectors (3).