lemon-mirror:
Home >> GMC >> 2003 >> Jimmy (CANADA) V6-4.3L >> Repair and Diagnosis >> Body and Frame >> Seats >> Power Seat Control Module >> Service and Repair

Power Seat Control Module: Service and Repair

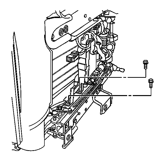
MEMORY SEAT CONTROL MODULE REPLACEMENT

REMOVAL PROCEDURE
1. Remove the front seat from the vehicle.




2. Disconnect the memory seat module harness connectors.




3. Remove the 2 screws securing the memory module bracket to the seat adjuster frame.
4. Remove the memory module bracket with the module.
5. Remove the module from the bracket.

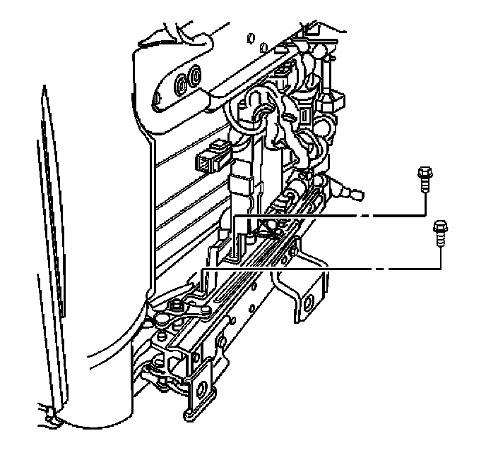
INSTALLATION PROCEDURE




1. Slide the memory seat module into the bracket until the module is seated.
2. Install the memory seat module and bracket to the seat adjuster frame assembly with 2 screws.

NOTE: Refer to Fastener Notice in Service Precautions.

Tighten
Tighten the memory seat module retaining screws to 3 N.m (26 lb in).




3. Install the memory seat module harness connectors.
4. Install the front seat to the vehicle.