lemon-mirror:
Home >> GMC >> 1992 >> Yukon V8-350 5.7L >> Repair and Diagnosis >> Powertrain Management >> Ignition System >> Distributor >> Locations

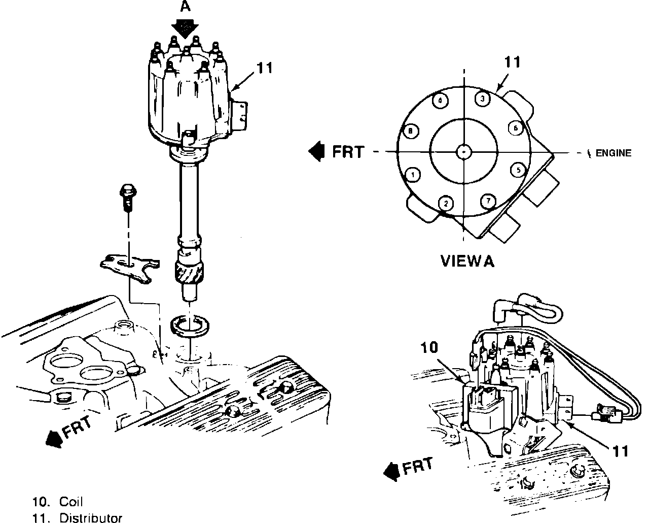
Distributor: Locations

Distributor And Coil 5.0L And 5.7L (TBI) Engines: