lemon-mirror:
Home >> GMC >> 1992 >> Syclone V6-262 4.3L Turbo >> Repair and Diagnosis >> Powertrain Management >> Computers and Control Systems >> Coolant Temperature Sensor/Switch (For Computer) >> Locations

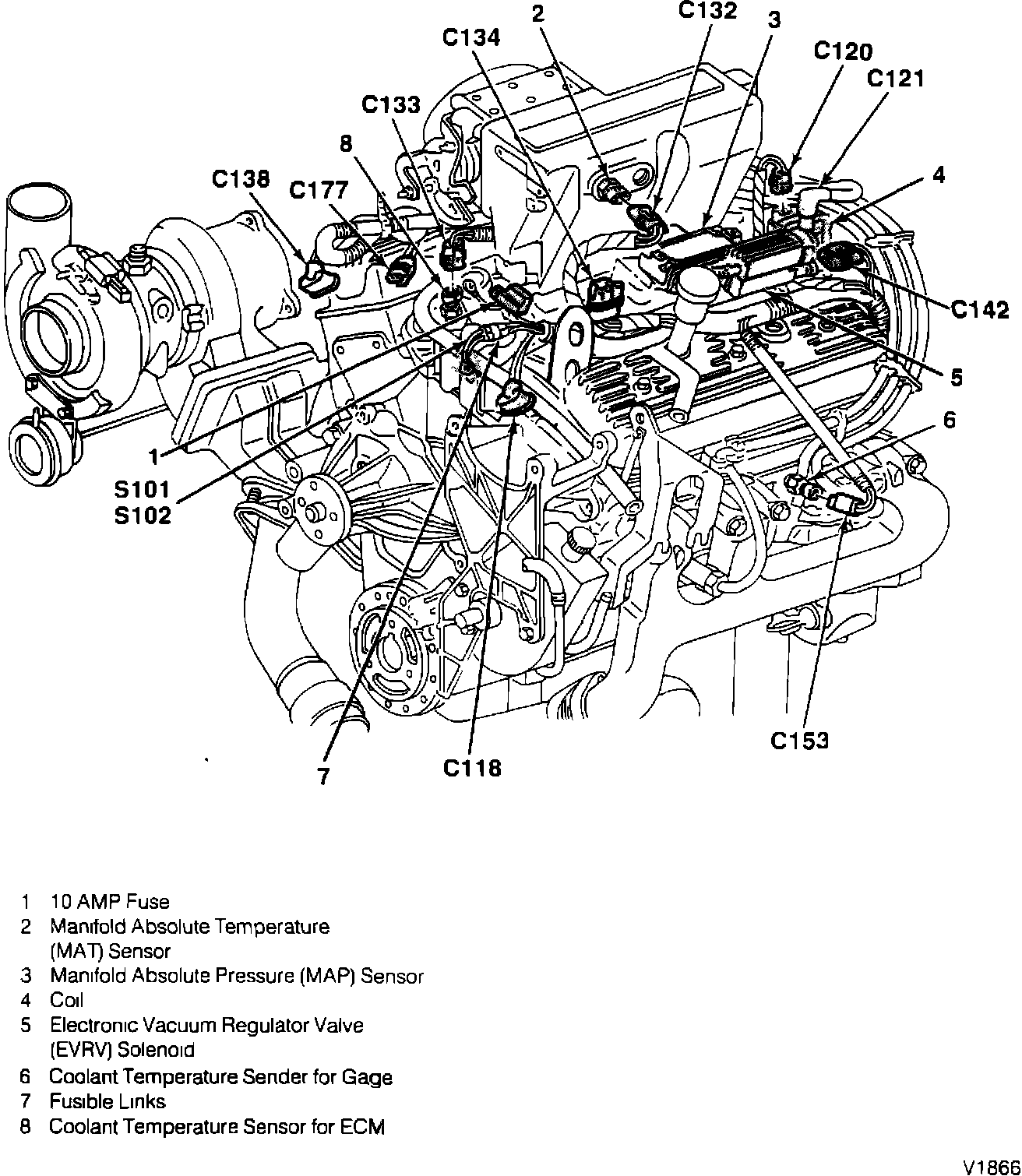
Coolant Temperature Sensor/Switch (For Computer): Locations

Left Front Engine Harness: