lemon-mirror:
Home >> GMC >> 1992 >> Syclone V6-262 4.3L Turbo >> Repair and Diagnosis >> Diagrams >> Components >> Miscellaneous Components >> Accumulator

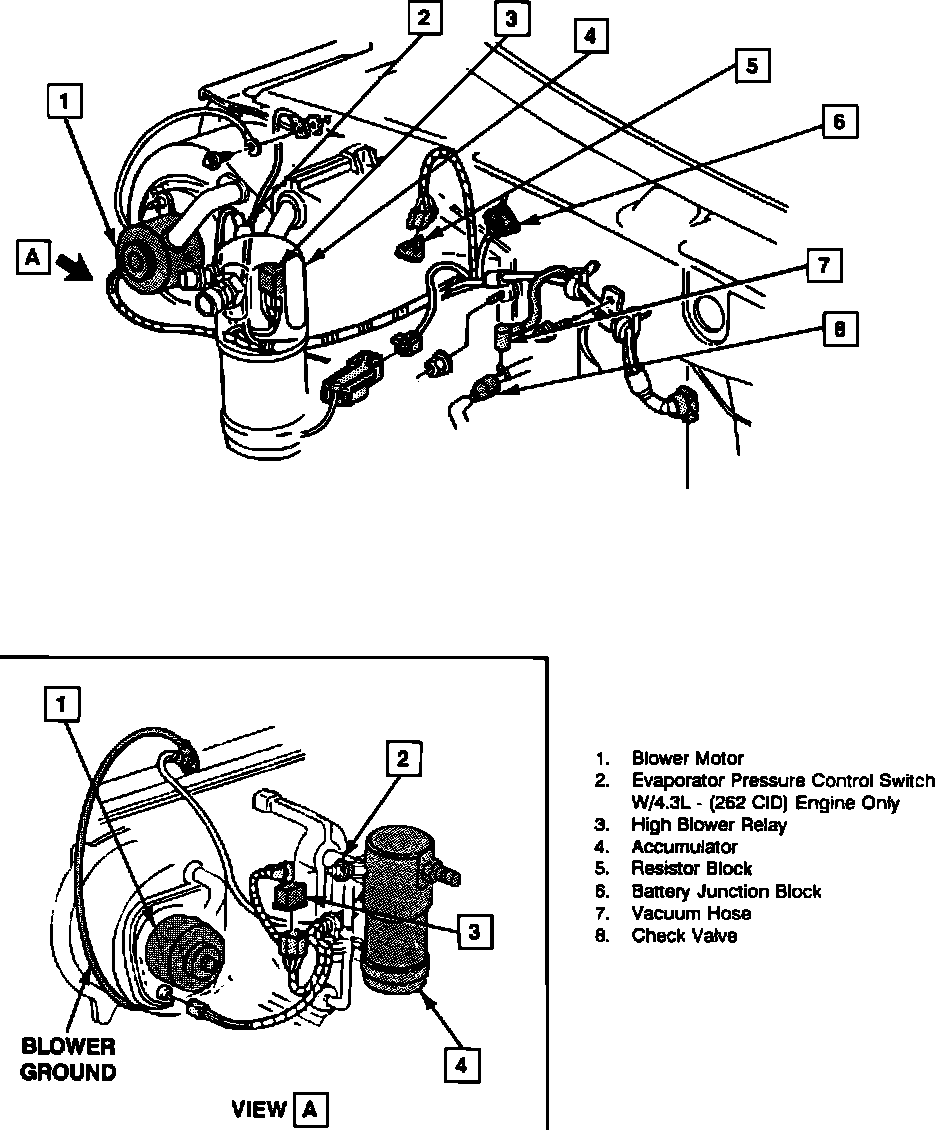
Accumulator

Heater & A/C Components:




LH Side Of Cowl Panel, In Engine Compartment