lemon-mirror:
Home >> GMC >> 1992 >> Syclone V6-262 4.3L Turbo >> Repair and Diagnosis >> Cruise Control >> Locations >> Fuse Block

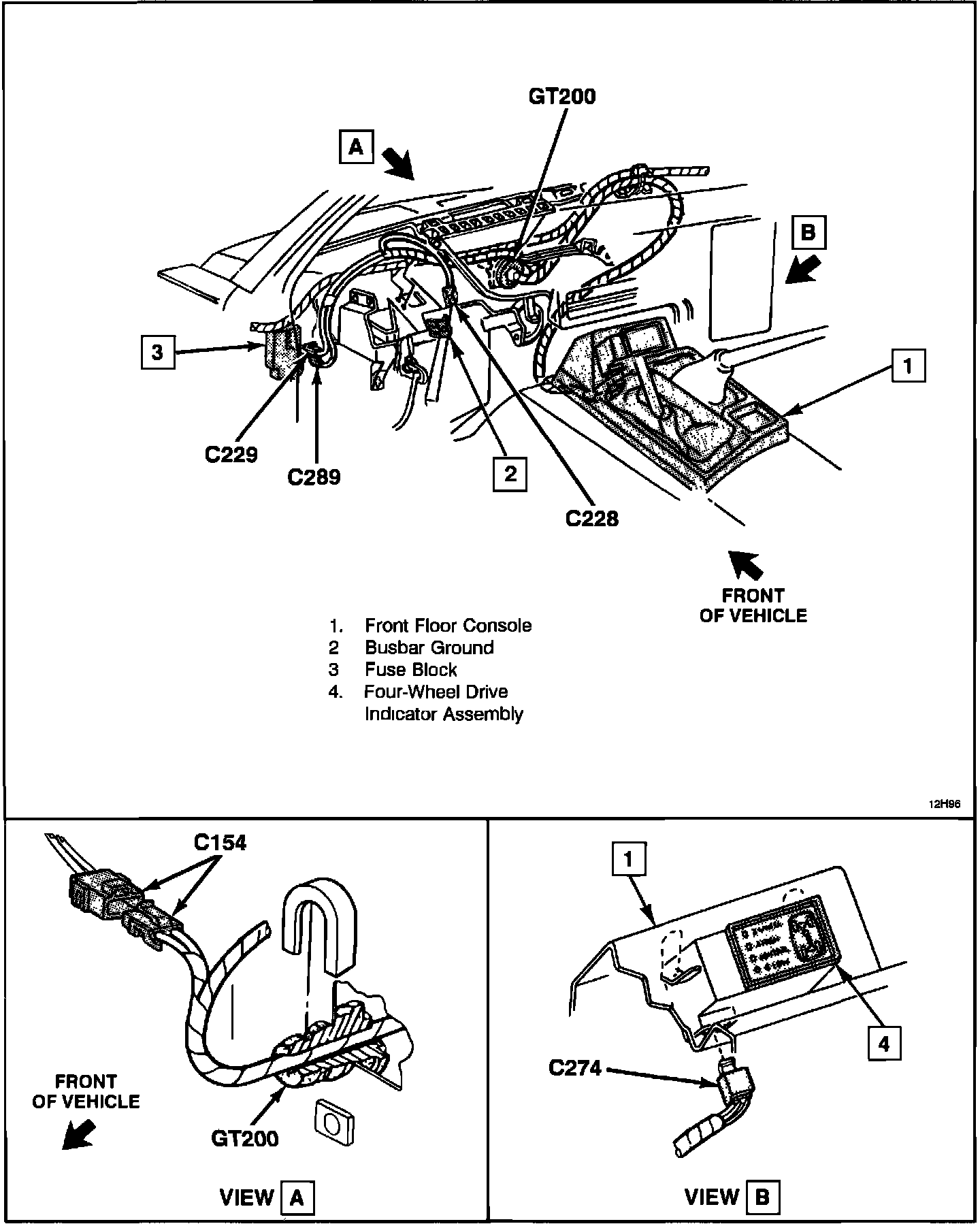
Fuse Block



LH I/P And Four-Wheel Drive Indicator:






Behind the left hand side of the I/P.