lemon-mirror:
Home >> GMC >> 1991 >> Syclone V6-262 4.3L Turbo >> Repair and Diagnosis >> Locations >> Component Locations >> Modules >> Rear Wheel Anti-Lock Brake Module

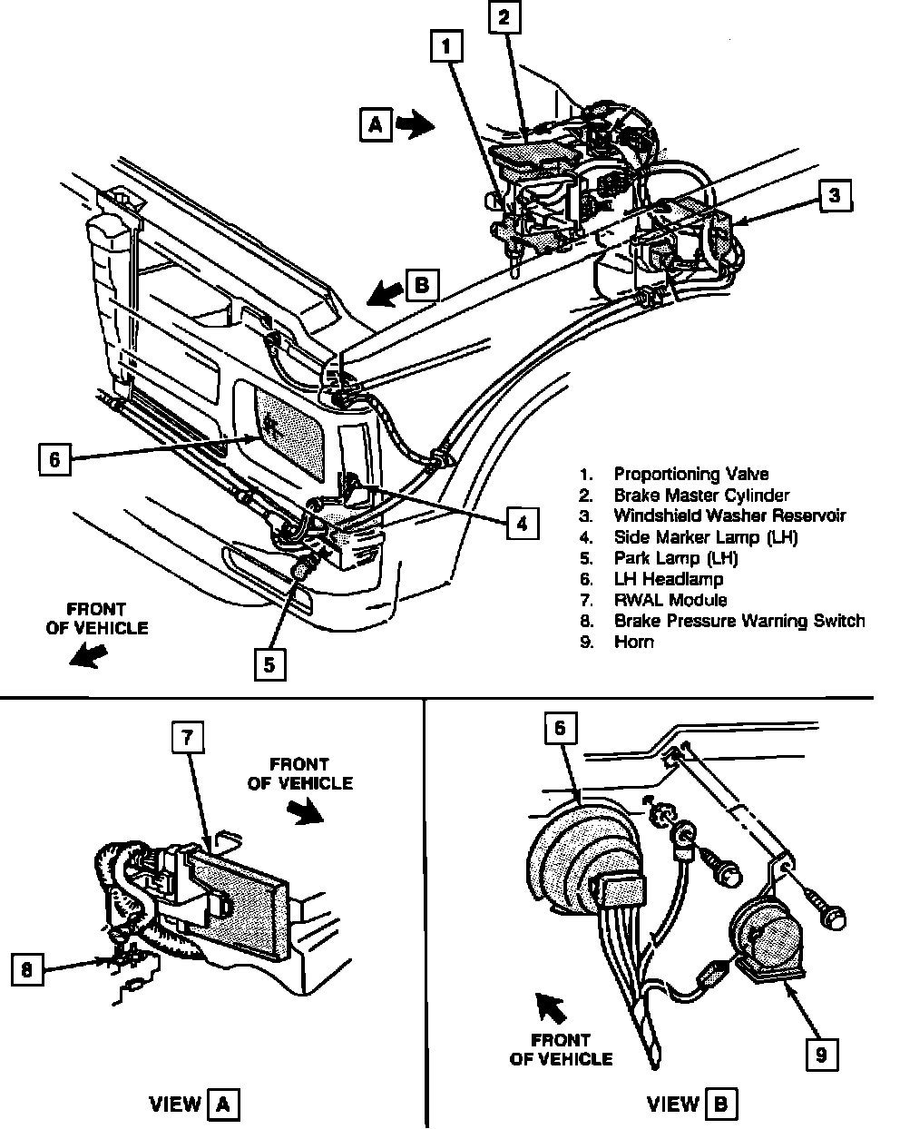
Rear Wheel Anti-Lock Brake Module

Anti-Lock Brake Components.:




LH Side Of Engine Compartment

Applicable to: 1991 Blazer, Jimmy, S10 & S15 & 1992 S10 & Sonoma