lemon-mirror:
Home >> GMC >> 1991 >> Syclone V6-262 4.3L Turbo >> Repair and Diagnosis >> Heating and Air Conditioning >> Control Assembly >> Service and Repair >> Control Assembly, HVAC

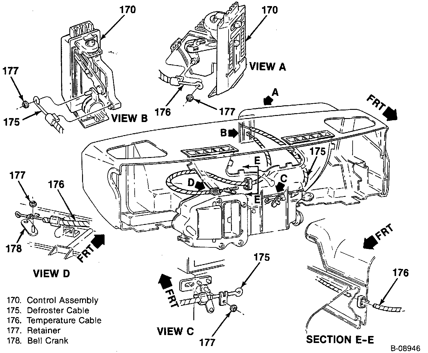
Control Assembly, HVAC

Control Assembly Replacement:




Temperature Cable Replacement:






REMOVE OR DISCONNECT

1. Negative battery cable.

2. Instrument panel trim.

3. Screws (171).

- Pull control assembly out the instrument panel.

4. Vacuum and electrical connections.

5. Cables (175 and 176).

6. Control assembly (170).


INSTALL OR CONNECT

1. Cables (175 and 1976) to the control assembly (170).

2. Vacuum (202) and electrical connections to the control assembly (170).

3. Control (170) to the instrument panel.

4. Instrument panel trim.

5. Negative battery cable.