lemon-mirror:
Home >> Freightliner >> 2009 >> Sprinter 2500 V6-3.0L DSL Turbo >> Repair and Diagnosis >> Powertrain Management >> Computers and Control Systems >> Engine Control Module >> Testing and Inspection >> Component Tests and General Diagnostics

Component Tests and General Diagnostics






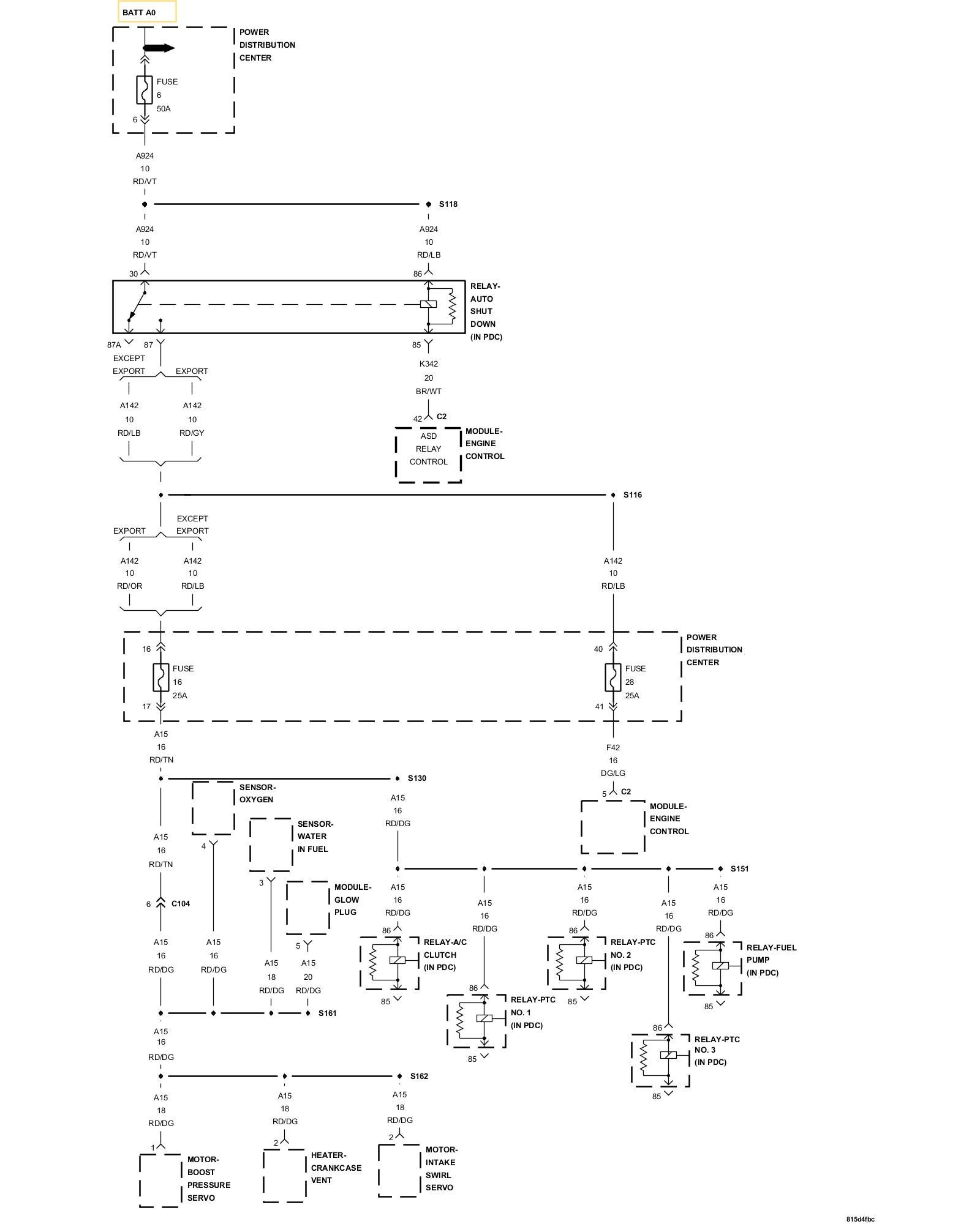
CHECKING THE ECM POWER AND GROUND CIRCUITS










1. ECM GROUND CIRCUIT(S) OPEN
1. Turn the ignition off.
2. Disconnect the ECM harness connectors.
3. Using a 12-volt test light connected to 12-volts, check each of the ECM ground circuits in ECM harness connector C2 cavities 2, 4 and 6.

Did the test light illuminate for each cavity?

Yes

- Go To 2

No

- Repair the ECM Ground circuit(s) for an open.
- Perform the ECM Verification Test.Verification Tests

2. FUSED IGNITION SWITCH START OUTPUT CIRCUIT OPEN
1. Turn the ignition to the Start position.
2. Using a 12-volt test light connected to ground, check the Fused Ignition Switch (Start) Output circuit in ECM harness connector C2 cavity 48.

Is the test light on?

Yes

- Go To 3

No

- Repair the Fused Ignition Switch (Start) Output circuit for an open.
- Perform the ECM Verification Test.Verification Tests

3. FUSED IGNITION SWITCH START/RUN OUTPUT CIRCUIT OPEN
1. Turn the ignition off.
2. Turn the ignition to the Start position.
3. Using a 12-volt test light connected to ground, check the Fused Ignition Switch (Start Run) Output circuit in ECM harness connector C2 cavity 41.
4. Turn the ignition to the Run position.
5. Using a 12-volt test light connected to ground, check the Fused Ignition Switch (Start/Run) Output circuit in ECM harness connector C2 cavity 41.

Is the test light on for both ignition switch positions?

Yes

- Go To 4

No

- Repair the Fused Ignition Switch (Start/Run) Output circuit for an open.
- Perform the ECM Verification Test.Verification Tests

4. CHECKING THE ASD RELAY SYSTEM
1. Turn the ignition off.
2. Connect a jumper wire between ground and the ASD Relay Control circuit in ECM C2 harness connector cavity 42.
3. Turn the ignition on.
4. Using a 12-volt test light connected to ground, check the Fused ASD Relay Output circuits at the ECM C2 harness connector cavities 1, 3 and 5.

Does the test light illuminate brightly for each circuit?

Yes

- Test Complete.

No

- Go To 5

5. FUSED ASD RELAY BATTERY SUPPLY CIRCUIT OPEN
1. Turn the ignition off.
2. Remove the ASD Relay from the PDC.
3. Using a 12-volt test light connected to ground, check both Fused ASD Relay Battery Supply circuits in ASD Relay connector.

Is the test light on?

Yes

- Go To 6

No

- Repair the Fused ASD Relay Battery Supply circuit(s) for an open.
- Perform the ECM Verification Test.Verification Tests

6. ASD RELAY OUTPUT CIRCUIT OPEN
1. Connect a jumper wire between cavity 30 and cavity 87 in the ASD Relay connector.
2. Using a 12-volt test light connected to ground, check the ASD Relay Output circuit in ECM harness connector C2 cavities 1, 3 and 5.

Did the test light illuminate for each circuit?

Yes

- Go To 7

No

- Repair the ASD Relay Output circuit(s) for an open.
- Perform the ECM Verification Test.Verification Tests

7. ASD RELAY
1. Turn the ignition off.
2. Install a substitute relay in place of the ASD Relay.
3. Connect a jumper wire between ground and the ASD Relay Control circuit in ECM C2 harness connector cavity 42.
4. Turn the ignition on.
5. Using a 12-volt test light connected to ground, check the Fused ASD Relay Output circuits at the ECM C2 harness connector cavities 1, 3 and 5.

Did the test light illuminate brightly for each circuit?

Yes

- Replace the ASD Relay.
- Perform the ECM Verification Test.Verification Tests

No

- Go To 8

8. ASD RELAY CONTROL CIRCUIT OPEN
1. Turn the ignition off.
2. Remove the ASD Relay from the PDC.
3. Measure the resistance of the ASD Relay Control circuit between the PDC connector and the ECM harness connector.

Is the resistance below 10.0 ohms?

Yes

- Go To 9

No

- Repair the ASD Relay Control circuit for an open.
- Perform the ECM Verification Test.Verification Tests

9. ASD RELAY CONTROL CIRCUIT SHORTED TO VOLTAGE
1. Connect a jumper wire between cavity 30 and cavity 87 of the ASD Relay connector in the PDC.
2. Turn the ignition on.
3. Measure the voltage on the ASD Relay Control circuit.

Is the voltage above 1.0 volt?

Yes

- Repair the ASD Relay Control circuit for a short to voltage.
- Perform the ECM Verification Test.Verification Tests

No

- Test Complete.