lemon-mirror:
Home >> Freightliner >> 2009 >> Sprinter 2500 V6-3.0L DSL Turbo >> Repair and Diagnosis >> Powertrain Management >> Computers and Control Systems >> Accelerator Pedal Position Sensor >> Testing and Inspection

Accelerator Pedal Position Sensor: Testing and Inspection






CHECKING THE ACCELERATOR PEDAL POSITION SENSOR CALIBRATION





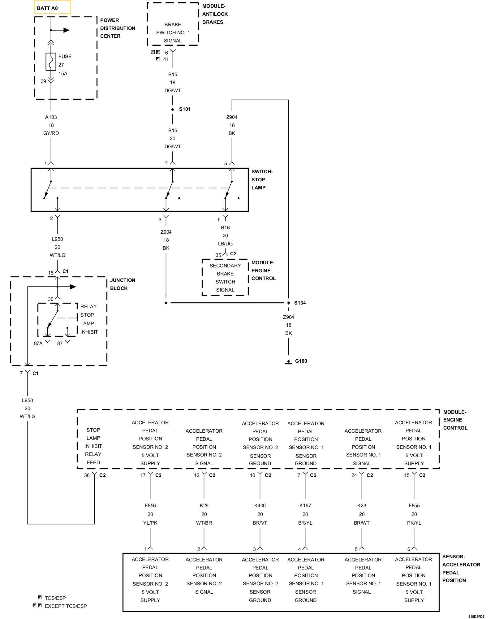
For a complete wiring diagram Refer to the Wiring Information Electrical Diagrams Electrical Diagrams






1. APP SENSOR IDLE VOLTAGE

NOTE: If there are any Accelerator Pedal Position Sensor DTC's active in the ECM, diagnose DTC's before continuing this test.

NOTE: The APP Sensor is a device that contains 2 separate potentiometer type sensors. Each sensor has its own 5-volt supply circuit, sensor ground circuit and signal circuit. The APP Sensor no longer incorporates a low-idle switch.

NOTE: The APP Sensor 1 signal should always be double the voltage of the APP Sensor 2 signal.

NOTE: Ensure the accelerator pedal is free from any restriction or binding before continuing.

1. Turn the ignition on.
2. With the scan tool, read the APP Sensor 1 and APP Sensor 2 Volts with the accelerator pedal in the at rest position.

Does the scan tool display between 0.38 and 0.53 volt for sensor 1 and 0.19 and 0.27 volt for sensor 2?

Yes

- Go To 2

No

- Check the APP Sensor circuits for proper resistance. If o.k., replace the APP Sensor.
- Perform the ECM Verification Test.Verification Tests

2. APP SENSOR 1
1. While back probing, measure the voltage of the APP Sensor 1 Signal circuit at the ECM.
2. Monitor the voltmeter while slowly pressing the accelerator pedal completely down.

NOTE: APP signals are displayed in voltage and percentage on the scan tool. Although APP 1 voltage is double APP 2 voltage, the percentage display of APP 1 and APP 2 should be the equal during all phases of accelerator pedal travel.

Did the voltage increase smoothly with pedal travel?

Yes

- Go To 3

No

- Replace the Accelerator Pedal Position Sensor.
- Perform the ECM Verification Test.Verification Tests

3. APP SENSOR 2
1. While back probing, measure the voltage of the APP Sensor 2 Signal circuit at the ECM.
2. Monitor the voltmeter while slowly pressing the accelerator pedal completely down.

NOTE: APP signals are displayed in voltage and percentage on the scan tool. Although APP 1 voltage is double APP 2 voltage, the percentage display of APP 1 and APP 2 should be the equal during all phases of accelerator pedal travel.

Did the voltage increase smoothly with pedal travel?

Yes

- Go To 4

No

- Replace the Accelerator Pedal Position Sensor.
- Perform the ECM Verification Test.Verification Tests

4. APP SENSOR WIDE OPEN THROTTLE VOLTAGE
1. Fully depress the accelerator pedal.
2. With the scan tool, read the voltage for APP Sensor 1 and APP Sensor 2.

Does the scan tool display between 4.40 and 4.70 volts for sensor 1 and 2.20 and 2.35 volts for sensor 2?

Yes

- Test Complete.

No

- Check the APP Sensor circuits for proper resistance. If o.k., replace the APP Sensor.
- Perform the ECM Verification Test.Verification Tests