lemon-mirror:
Home >> Freightliner >> 2009 >> Sprinter 2500 V6-3.0L DSL Turbo >> Repair and Diagnosis >> Body and Frame >> Body Control Systems >> Body Control Module >> Locations >> Programmable Special Module

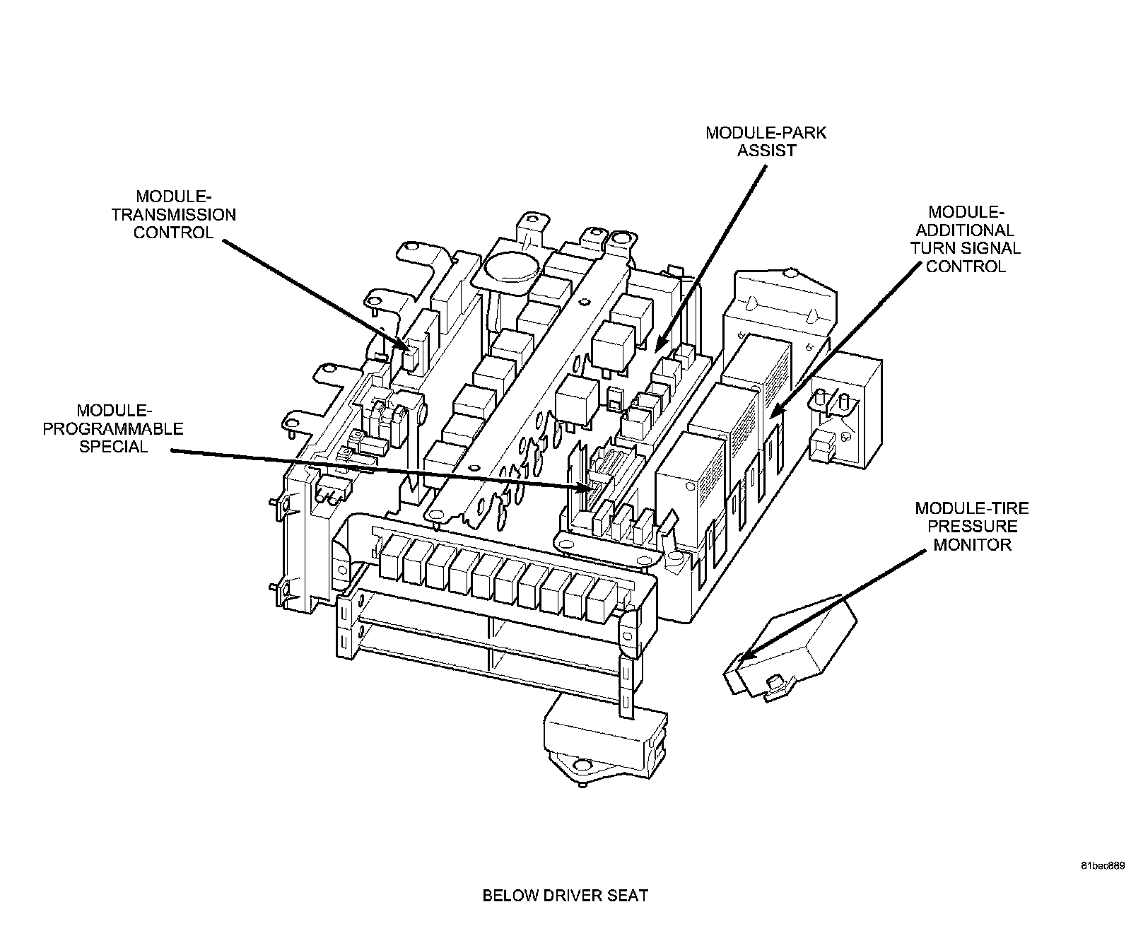
Programmable Special Module