lemon-mirror:
Home >> Freightliner >> 2004 >> Sprinter 2500 L5-2.7L DSL Turbo >> Repair and Diagnosis >> Powertrain Management >> Computers and Control Systems >> Body Control Module >> Diagrams >> Electrical Diagrams >> 8W-45-4

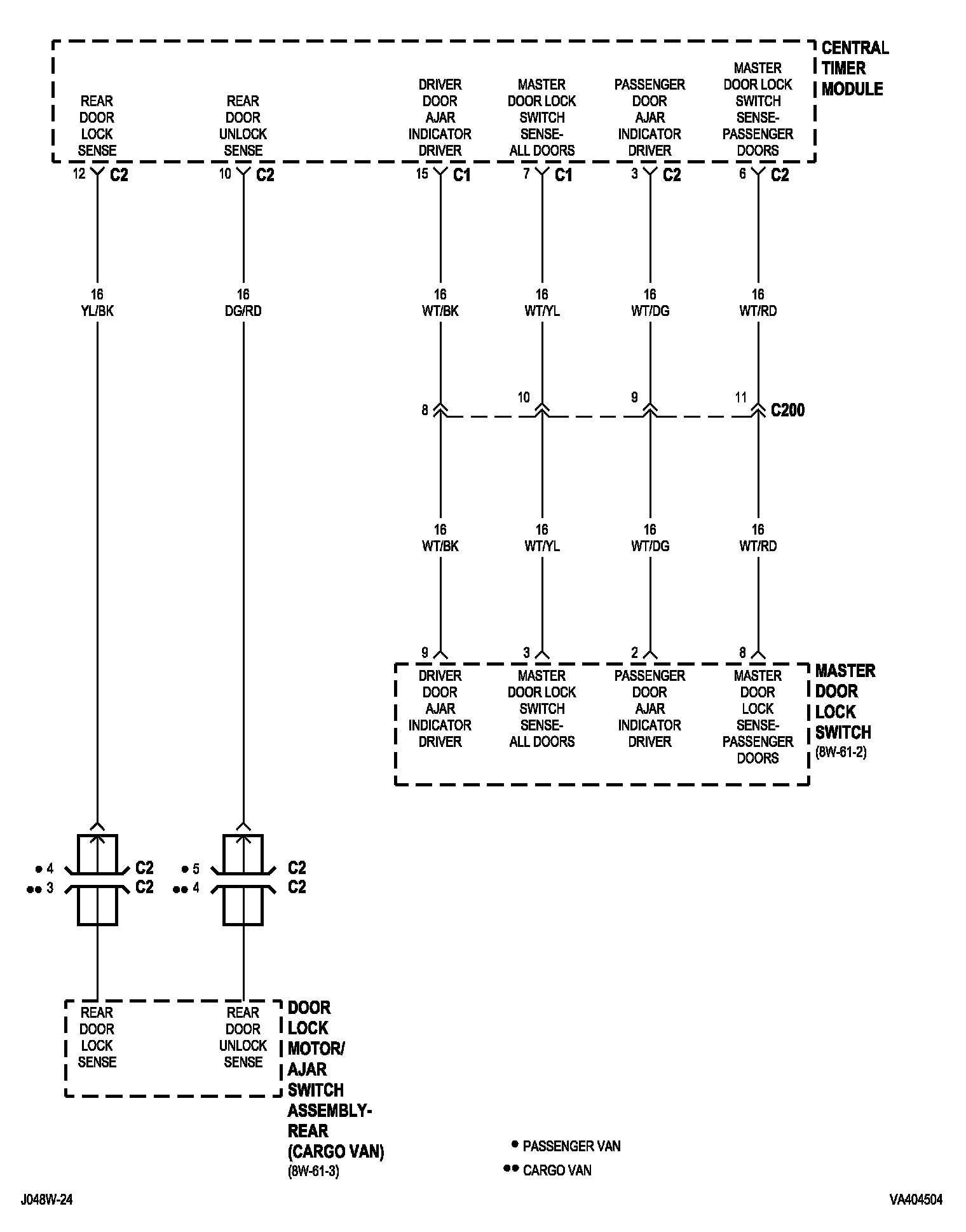
8W-45-4

PLEASE NOTE: Some diagram sheets may appear to be missing because of gaps in the number sequences. These "gaps" are actually for diagrams that do not apply to the vehicle model selected.


8w-45-4:







Next Diagram 8W-45-5


Previous Diagram 8W-45-3



NOTE: Other diagrams referred to by number (8W-70-2, etc.) within these diagrams can be found at Diagrams by Number. Diagrams By Number