lemon-mirror:
Home >> Ford >> 2012 >> Transit Connect L4-2.0L >> Repair and Diagnosis >> Powertrain Management >> Computers and Control Systems >> Information Bus >> Description and Operation

Information Bus: Description and Operation




Communications Network

Multiplexing is a method of sending 2 or more signals simultaneously over a single circuit. Multiplexing is used to allow 2 or more electronic modules (nodes) to communicate simultaneously over a twisted-wire pair [data (+) and data (-)] network. The information or messages that can be communicated on these wires consists of commands, status or data. The advantage of using multiplexing is to reduce the weight of the vehicle by reducing the number of redundant components and electrical wiring.

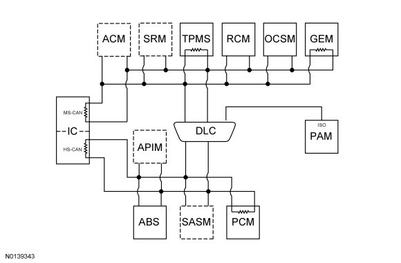
The vehicle has 3 module communication networks which are connected to the Data Link Connector (DLC), located under the driver side of the instrument panel:

- High Speed Controller Area Network (HS-CAN)

- Medium Speed Controller Area Network (MS-CAN)

- ISO

Network Topology










Network Termination And Gateway Function

The Controller Area Network (CAN) uses 120 ohm resistors across the data (+) and data (-) at each end of the network main circuit branch, or "backbone", to improve communication reliability. The termination resistors are located inside modules referred to as "termination modules". The ISO network does not use termination resistors.

Communication Network Impedance






Network termination improves bus message reliability by:

- stabilizing bus voltage.

- eliminating electrical interference.

The Instrument Cluster (IC) is the gateway module, translating messages on the HS-CAN (High Speed Controller Area Network) to the MS-CAN (Medium Speed Controller Area Network) and vice versa. This function allows a message to be distributed throughout both networks.