lemon-mirror:
Home >> Ford >> 2012 >> Transit Connect L4-2.0L >> Repair and Diagnosis >> Heating and Air Conditioning >> Control Assembly >> Service and Repair >> Function Selector Switch

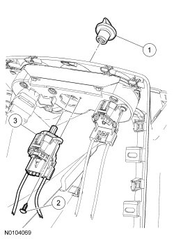
Function Selector Switch




Function Selector Switch









Removal and Installation

NOTE: The function selector switch is supplied as an assembly with the function selector cable assembly.

1. Remove the floor console.

2. Remove the function selector switch knob.

3. Remove the function selector switch screw.

4. Rotate the function selector switch to disengage it from the climate control assembly and remove the function selector switch and cable assembly.

5. To install, reverse the removal procedure.