lemon-mirror:
Home >> Ford >> 2012 >> Transit Connect L4-2.0L >> Repair and Diagnosis >> Diagrams >> Exploded Views >> Parking Brake System

Parking Brake System




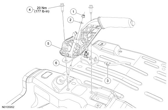
Parking Brake - Exploded View

Parking Brake (View 1 of 3)










Parking Brake (View 2 of 3)










Parking Brake (View 3 of 3)