lemon-mirror:
Home >> Ford >> 2012 >> Mustang V8-5.4L SC >> Repair and Diagnosis >> Powertrain Management >> Computers and Control Systems >> Diagrams >> Exploded Views

Exploded Views




Engine Control Components - Exploded View, 5.4L (4V)









Camshaft Position (CMP) Sensor










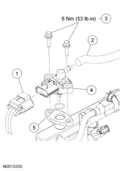
Crankshaft Position (CKP) Sensor

NOTE: The Supercharger (SC) belt must be removed to perform this procedure.

NOTE: The A/C compressor must be positioned aside to access the Crankshaft Position (CKP) sensor, it is not necessary to remove the A/C compressor from the vehicle.

NOTE: After installing the CKP (Crankshaft Position) sensor, use the scan tool to perform the Misfire Monitor Neutral Profile Correction procedure, following the on-screen instructions.










Cylinder Head Temperature (CHT) Sensor

NOTE: The battery tray must be removed to perform this procedure.

NOTE: Do not reuse the CHT (Cylinder Head Temperature) sensor, install a new sensor.










Engine Coolant Temperature (ECT) Sensor

NOTE: Drain the cooling system prior to removing the Engine Coolant Temperature (ECT) sensor. For additional information, refer to Cooling System &/or Engine Block Heater.

NOTE: Fill and bleed the cooling system after installing the ECT (Engine Coolant Temperature) sensor. For additional information, refer to Cooling System &/or Engine Block Heater.










Fuel Rail Pressure and Temperature Sensor

WARNING: Do not smoke, carry lighted tobacco or have an open flame of any type when working on or near any fuel-related component. Highly flammable mixtures are always present and may be ignited. Failure to follow these instructions may result in serious personal injury.

WARNING: Before working on or disconnecting any of the fuel tubes or fuel system components, relieve the fuel system pressure to prevent accidental spraying of fuel. Fuel in the fuel system remains under high pressure, even when the engine is not running. Failure to follow this instruction may result in serious personal injury.

NOTE: Release the fuel system pressure prior to removing the fuel rail pressure and temperature sensor.

NOTE: Inspect the O-ring seal and install new as necessary. Lubricate the O-ring seal with clean engine oil.










Heated Oxygen Sensor (HO2S) and Catalyst Monitor Sensor (CMS)

NOTE: For Heated Oxygen Sensor (HO2S) removal and installation, refer to Heated Oxygen Sensor (HO2S) .

NOTE: If necessary, lubricate the Catalyst Monitor Sensor (CMS) with penetrating and lock lubricant to assist in removal.

NOTE: Apply anti-seize to the threads of the CMS (Catalyst Monitor Sensor) prior to installing.

NOTE: The correct torque wrench setting must be calculated when using the Exhaust Gas Oxygen Sensor Socket to install the CMS (Catalyst Monitor Sensor).










Intake Air Temperature 2 (IAT2) Sensor

NOTE: Tighten the Intake Air Temperature 2 (IAT2) sensor in 2 stages. During stage 2, do not tighten the IAT2 (Intake Air Temperature 2) sensor more than one full turn and do not rotate the IAT2 (Intake Air Temperature 2) sensor counterclockwise after tightening.
- Stage 1: Tighten the IAT2 (Intake Air Temperature 2) sensor to 15 Nm (133 lb-in).
- Stage 2: Tighten the IAT2 (Intake Air Temperature 2) sensor until it is aligned as shown.










Knock Sensor (KS)

NOTICE: Note the position and orientation of each Knock Sensor (KS). The sensors must be installed in the same position as removed or damage to the sensors may occur.

NOTE: The intake manifold must be removed to perform this procedure. For additional information, refer to Engine.










1. Refer to the procedures and/or exploded views for any Warnings, Notices, Notes, Materials, Specifications, and Special Tools. Items in the exploded views may not be listed in order of removal.