lemon-mirror:
Home >> Ford >> 2012 >> Mustang V8-5.4L SC >> Repair and Diagnosis >> Diagrams >> Exploded Views >> Air Filter Element

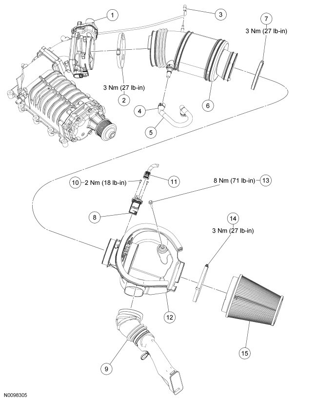
Air Filter Element




Intake Air System Components - Exploded View, 5.4L (4V)









NOTE: The ACL (Air Cleaner) outlet pipe should be securely sealed to prevent unmetered air from entering the engine.

NOTE: The crankcase ventilation tube is equipped with a quick connect coupling.

1. Refer to the procedures and/or exploded views for any Warnings, Notices, Notes, Materials, Specifications, and Special Tools. Items in the exploded views may not be listed in order of removal.