lemon-mirror:
Home >> Ford >> 2012 >> Mustang V8-5.0L VIN F >> Repair and Diagnosis >> Powertrain Management >> Computers and Control Systems >> Testing and Inspection >> Pinpoint Tests >> Test B: Powertrain Control Module (PCM) Power Relay

Test B: Powertrain Control Module (PCM) Power Relay



Powertrain Control Module (PCM) Power Relay












Injector (INJ) Connector






Harness Side







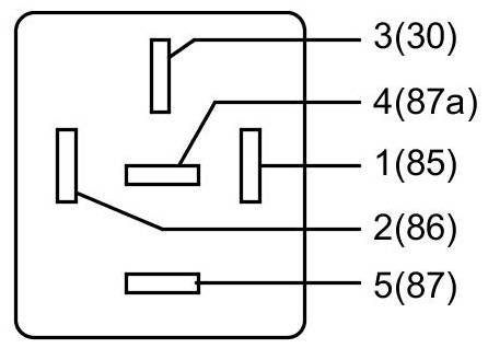
Powertrain Control Module Power (PCM Power) Relay Connector






Harness Side






Component side







Powertrain Control Module (PCM) Connector - For PCM connector views or reference values, refer to Reference Values.






Harness Side