lemon-mirror:
Home >> Ford >> 2012 >> Mustang V6-3.7L >> Repair and Diagnosis >> Powertrain Management >> Computers and Control Systems >> Testing and Inspection >> Pinpoint Tests >> Test KF: Fan Control Relays

Test KF: Fan Control Relays



Fan Control Relays

















Cooling Fan Motor Connector






Harness Side







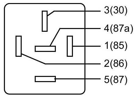
Low Fan Control (LFC) Relay Connector





Harness Side





Component side







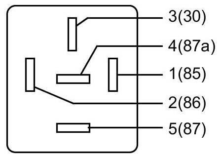
High Fan Control (HFC) Relay Connector






Harness Side





Component side







Powertrain Control Module (PCM) Connector - For PCM connector views or reference values, refer to Reference Values.