lemon-mirror:
Home >> Ford >> 2012 >> Mustang V6-3.7L >> Repair and Diagnosis >> Powertrain Management >> Computers and Control Systems >> Body Control Module >> Testing and Inspection >> Pinpoint Tests >> Pinpoint Test I: DTC U3003:62

Pinpoint Test I: DTC U3003:62




Body Control Module B (BCM-B)

Pinpoint Test I: DTC U3003:62

Refer to Wiring Diagram Set 89, Interior Lamps for schematic and connector information [1][2]Diagrams By Number.

Normal Operation

- DTC U3003:62 (Battery Voltage: Signal Compare Failure)- a continuous and on-demand DTC that sets when the BCM-B (Body Control Module B) detects battery voltage 1.5 volts above or below specific thresholds.

This pinpoint test is intended to diagnose the following:

- Wiring, terminals or connectors

- High circuit resistance

- Charging system concern

- BCM-B (Body Control Module B)

PINPOINT TEST I : DTC U3003:62

NOTICE: Use the correct probe adapter(s) when making measurements. Failure to use the correct probe adapter(s) may damage the connector.

NOTE: Failure to disconnect the battery when instructed results in false resistance readings.

NOTE: DTC U3003:62 may be stored in the module memory due to previous battery charging or vehicle jump starting events.

I1 RECHECK THE BCM-B (Body Control Module B) DTCs

- Ignition OFF.

- Ignition ON.

- Enter the following diagnostic mode on the scan tool: BCM-B (Body Control Module B) Self-Test.

- Clear the DTCs. Repeat the BCM-B (Body Control Module B) self-test.

Is DTC U3003:62 still present?

Yes
GO to I2.

No
The system is operating normally at this time. The DTC may have been set due to a previous low battery voltage condition, during battery charging or while jump starting the vehicle.

I2 CHECK FOR CHARGING SYSTEM DTCs IN THE PCM

- Enter the following diagnostic mode on the scan tool: PCM Self-Test.

- Carry out the PCM KOEO (Key ON Engine OFF) self-test.

- Retrieve the continuous memory DTCs from the PCM.

Is DTC P0562, P0620, P0622, P0625, P0626 or P065B set in the PCM?

Yes
REFER to Charging System.

No
GO to I3.

I3 CHECK FOR DTCs B1317, B1318 B1676, P0563 OR U3003:62 SET IN OTHER MODULES

- Enter the following diagnostic mode on the scan tool: Self-Test.

- Retrieve the continuous memory DTCs from all modules.

Is DTC B1317, B1676, P0563 (PCM) or U3003:17 set in more than one module?

Yes
REFER to Charging System to diagnose the charging system condition.

No
GO to I4.

I4 CHECK THE BATTERY VOLTAGE

- Turn off all interior/exterior lights and accessories.

- Start and run the engine at approximately 2,000 rpm for 3 minutes while monitoring the battery voltage.

Does the battery voltage rise to 15 volts or higher?

Yes
REFER to Charging System to diagnose an overcharging condition.

No
GO to I5.

I5 CHECK THE BATTERY CONDITION AND STATE OF CHARGE

- Ignition OFF.

- Check the battery condition and verify the battery is fully charged.

Is the battery OK and fully charged?

Yes
GO to I6.

No
REFER to Charging System.

I6 CHECK THE BCM-B (Body Control Module B) VOLTAGE PID

- Ignition ON.

- Measure and record the voltage at the battery.

- Enter the following diagnostic mode on the scan tool: BCM-B (Body Control Module B) DataLogger.

- Monitor the BCM-B (Body Control Module B) voltage PID (VPWR_BCMB).

Is the voltage within 0.2 volt of the recorded battery voltage?

Yes
GO to I9.

No
GO to I7.

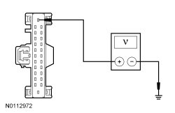
I7 CHECK THE BCM-B (Body Control Module B) VOLTAGE SUPPLY

- Ignition OFF.

- Disconnect: BCM-B (Body Control Module B) C4368A.

- Ignition ON.

- Measure the voltage between the BCM-B (Body Control Module B) C4368A-1, circuit SBB18 (YE/RD), harness side and ground.





Is the voltage within 0.2 volt of the recorded battery voltage?

Yes
GO to I8.

No
REPAIR circuit SBB18 (YE/RD) for high resistance. CLEAR the DTC. REPEAT the self-test.

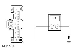
I8 CHECK THE BCM-B (Body Control Module B) GROUND CIRCUIT FOR HIGH RESISTANCE

- Ignition OFF.

- Disconnect: Negative Battery Cable.

- Measure the resistance between the BCM-B (Body Control Module B) C4368A-13, circuit GD110 (BK/WH), harness side and ground.





Is the resistance less than 5 ohms?

Yes
GO to I9.

No
REPAIR circuit GD110 (BK/WH) for high resistance. CLEAR the DTC. REPEAT the self-test.

I9 CHECK FOR CORRECT BCM-B (Body Control Module B) OPERATION

- Disconnect the BCM-B (Body Control Module B) connectors.

- Check for:
- corrosion

- damaged pins

- pushed-out pins


- Connect the BCM-B (Body Control Module B) connectors and make sure they seat correctly.

- Operate the system and verify the concern is still present.

Is the concern still present?

Yes
INSTALL a new BCM-B (Body Control Module B). REFER to Body Control Module B (BCM-B) . TEST the system for normal operation.

No
The system is operating correctly at this time. The concern may have been caused by a loose or corroded connector.