lemon-mirror:
Home >> Ford >> 2012 >> Mustang V6-3.7L >> Repair and Diagnosis >> Diagrams >> Exploded Views >> Disc Brake System >> Front Disc Brake System - Exploded View

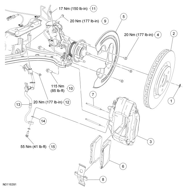
Front Disc Brake System - Exploded View




Disc Brake System - Exploded View

2 Piston Caliper

NOTE: LH shown, RH similar.










4 Piston Caliper

NOTE: RH shown, LH similar










1. NOTE: A revised part, with the same base part number, has been released for the RH brake hose. When installing a new RH brake hose, position the anti-rotation tab on the mounting bracket toward the front of the vehicle and install the bolt with the head toward the rear of the vehicle.
Refer to the procedures and/or the exploded views for any Warnings, Notices, Notes, Materials, Specifications and Special Tools. Items in the exploded view may not be listed in the order of removal.