lemon-mirror:
Home >> Ford >> 2012 >> Fusion FWD L4-2.5L >> Repair and Diagnosis >> Powertrain Management >> Ignition System >> Spark Plug >> Service and Repair >> Engine Ignition Components - Exploded View

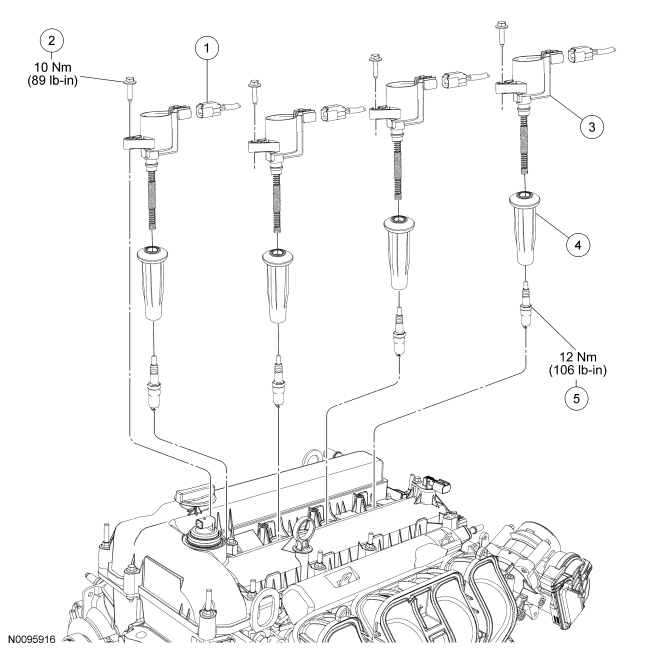
Engine Ignition Components - Exploded View




Engine Ignition Components - Exploded View