lemon-mirror:
Home >> Ford >> 2012 >> Flex FWD V6-3.5L >> Repair and Diagnosis >> Diagrams >> Exploded Views >> Suspension

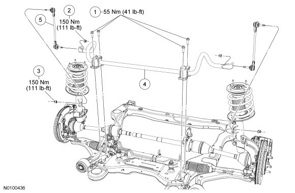
Suspension




Front Suspension - Exploded View