lemon-mirror:
Home >> Ford >> 2012 >> Fiesta L4-1.6L >> Repair and Diagnosis >> Diagrams >> Exploded Views >> Intake Air Duct

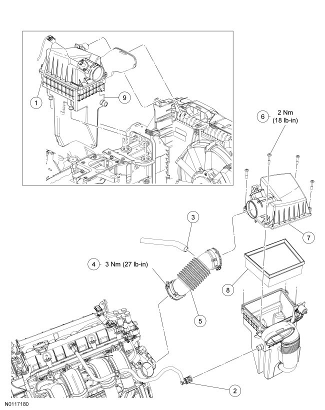
Intake Air Duct




Intake Air System Components - Exploded View










1. Refer to the procedures and/or exploded views for any Warnings, Notices, Notes, Materials, Specifications, and Special Tools. Items in the exploded views may not be listed in order of removal.