lemon-mirror:
Home >> Ford >> 2012 >> F 150 2WD V8-6.2L >> Repair and Diagnosis >> Powertrain Management >> Computers and Control Systems >> Testing and Inspection >> Pinpoint Tests >> Test B: Powertrain Control Module (PCM) Power Relay

Test B: Powertrain Control Module (PCM) Power Relay



No Start











Injector (INJ) Connector





Harness Side






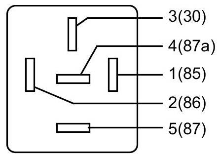
Powertrain Control Module Power (PCM Power) Relay Connector




Harness Side





Component side







Powertrain Control Module (PCM) Connector - For PCM connector views or reference values, refer to Reference Values.





Harness Side