lemon-mirror:
Home >> Ford >> 2012 >> F 150 2WD V6-3.7L >> Repair and Diagnosis >> Maintenance >> Alignment >> Service and Repair >> Ride Height Measurement

Ride Height Measurement




Ride Height Measurement

Front Ride Height Measurement










NOTE: Make sure that the vehicle is positioned on a flat, level surface and the tires are inflated to the correct pressure. Vehicle should have at least one-half tank of fuel.

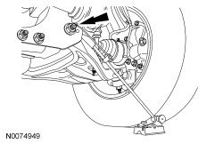
1. Position a suitable surface gauge (such as Starrett 57D Surface Gauge) on a flat, level surface and adjust the gauge arm until the scriber point is located in the center of the rearward lower arm bolt.
- Lock the surface gauge in this position.






2. With the surface gauge positioned on a flat, level surface, record the measurement of the surface gauge position (measurement 2).





3. Position the surface gauge on the same flat, level surface as used in Step 1 and adjust the gauge arm until the scriber point is located at the lowest point on the wheel knuckle.
- Lock the surface gauge in this position.






4. With the surface gauge positioned on a flat, level surface, record the measurement of the surface gauge position (measurement 3).





5. Subtract measurement 3 from measurement 2 to obtain the front ride height.
- Refer to Specifications.


Rear Ride Height Measurement (All Except SVT Raptor)










NOTE: Make sure that the vehicle is positioned on a flat, level surface and the tires are inflated to the correct pressure. Vehicle should have at lease one-half tank of fuel.

1. Measure the distance between the rear axle jounce stop (Item 2) and the top of the rear axle tube (Item 3) to obtain the rear ride height (Item 1).

Rear Ride Height Measurement (SVT Raptor)










NOTE: Make sure that the vehicle is positioned on a flat, level surface and the tires are inflated to the correct pressure. Vehicle should have at lease one-half tank of fuel.

1. Measure the distance between the rear frame rail (Item 2) and the top of the rear axle tube (Item 3) to obtain the rear ride height (Item 1).