lemon-mirror:
Home >> Ford >> 2012 >> Expedition 2WD V8-5.4L >> Repair and Diagnosis >> Diagrams >> Exploded Views >> Engine Lubrication

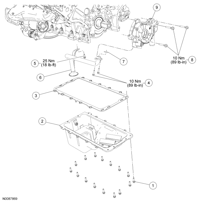
Engine Lubrication




Engine Lubrication Components - Exploded View