lemon-mirror:
Home >> Ford >> 2012 >> E 450 V10-6.8L >> Repair and Diagnosis >> Diagrams >> Exploded Views >> Engine Lubrication

Engine Lubrication




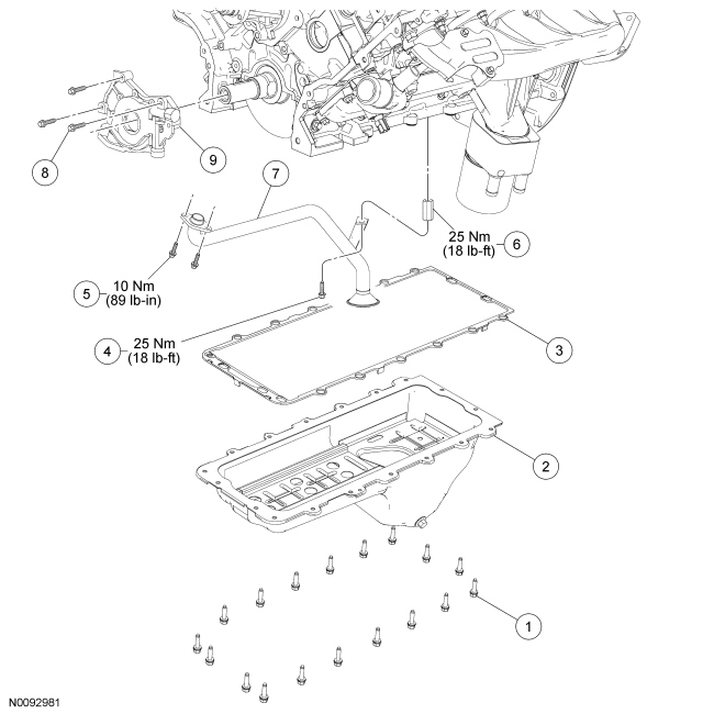
Engine Lubrication Components - Exploded View