lemon-mirror:
Home >> Ford >> 2012 >> E 150 V8-5.4L >> Repair and Diagnosis >> Diagrams >> Exploded Views >> Disc Brake System >> Rear Disc Brake

Rear Disc Brake




Disc Brake System - Exploded View

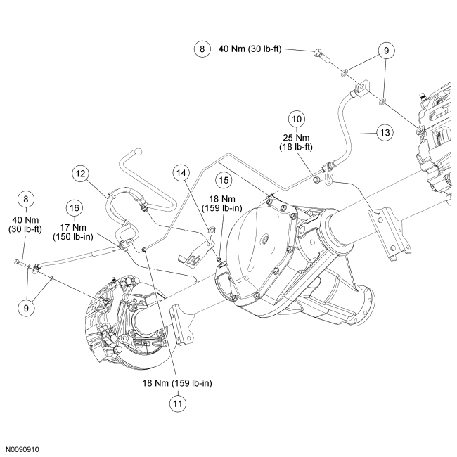
Rear Disc Brakes (View 1 of 3)

NOTE: RH side shown, LH side similar.










Rear Disc Brakes (View 2 of 3)










Rear Disc Brakes (View 3 of 3)

NOTE: RH side shown, LH side similar.