lemon-mirror:
Home >> Ford >> 2012 >> E 150 V8-5.4L >> Repair and Diagnosis >> Diagrams >> Exploded Views >> Disc Brake System >> Disc Brake System - Exploded View

Disc Brake System - Exploded View




Disc Brake System - Exploded View

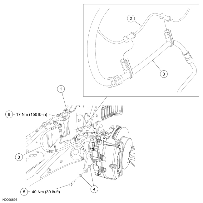
Front Disc Brake (View 1 of 2)

NOTE: Dual Rear Wheels (DRW) shown, Single Rear Wheel (SRW) similar.










Front Disc Brake (View 2 of 2)