lemon-mirror:
Home >> Ford >> 2011 >> Ranger 2WD L4-2.3L >> Repair and Diagnosis >> Diagrams >> Exploded Views >> Seat Temperature Control Module

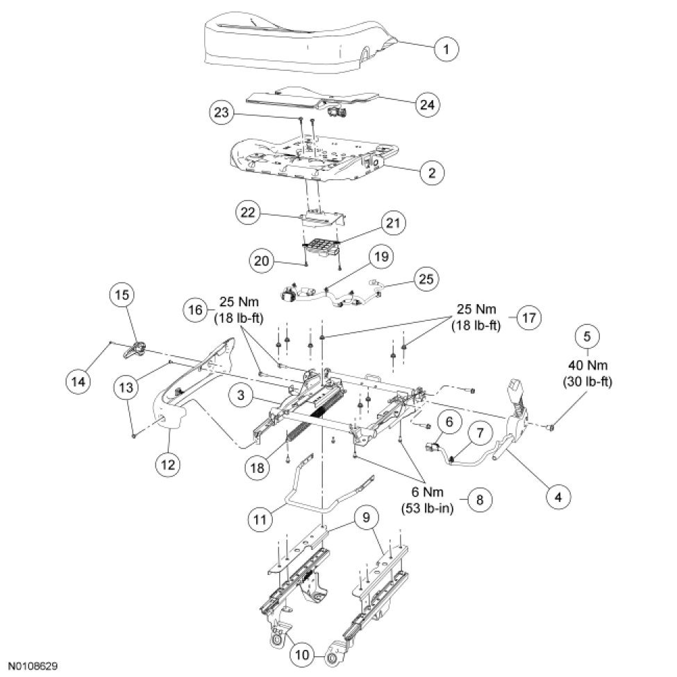
Seat Temperature Control Module




Seat - Exploded View, Front


Seat Backrest, 40 and 60 Percent

NOTE: RH shown, LH similar.












Seat Cushion, Driver, 40 Percent










Seat Cushion, Driver, 60 Percent










Seat Cushion, Passenger










Seat Armrest, 60 Percent