lemon-mirror:
Home >> Ford >> 2011 >> Ranger 2WD L4-2.3L >> Repair and Diagnosis >> Diagrams >> Exploded Views >> Intake Air Duct

Intake Air Duct




Intake Air System Components - Exploded View

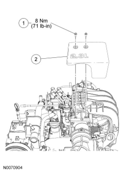
2.3L Throttle Body (TB) Cover









4.0L SOHC Throttle Body (TB) Cover









Intake Air Components









1. If necessary, pry the engine Air Cleaner (ACL) from the base support bracket when removing the ACL.