lemon-mirror:
Home >> Ford >> 2011 >> Mustang V6-3.7L >> Repair and Diagnosis >> Powertrain Management >> Computers and Control Systems >> Fuel Level Sensor >> Service and Repair >> Fuel Level Sender

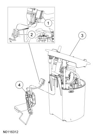
Fuel Level Sender




Fuel Level Sender



3.7L and 5.0L (4V) vehicles











5.4L (4V) vehicles









Removal

WARNING: Do not smoke, carry lighted tobacco or have an open flame of any type when working on or near any fuel-related component. Highly flammable mixtures are always present and may be ignited. Failure to follow these instructions may result in serious personal injury.

WARNING: Do not carry personal electronic devices such as cell phones, pagers or audio equipment of any type when working on or near any fuel-related component. Highly flammable mixtures are always present and may be ignited. Failure to follow these instructions may result in serious personal injury.

WARNING: When handling fuel, always observe fuel handling precautions and be prepared in the event of fuel spillage. Spilled fuel may be ignited by hot vehicle components or other ignition sources. Failure to follow these instructions may result in serious personal injury.

WARNING: Always disconnect the battery ground cable at the battery when working on an evaporative emission (EVAP) system or fuel-related component. Highly flammable mixtures are always present and may be ignited. Failure to follow these instructions may result in serious personal injury.

All vehicles

1. Remove the FP module. For additional information, refer to Fuel Pump Module Fuel Pump Module.

3.7L and 5.0L (4V) vehicles

2. Disconnect the fuel level sender electrical connector.
- Note the fuel level sender wire routing and retention clip locations for installation.

3. Remove the wires from the retention clip.

4. Depress the lock tab and remove the fuel level sender from the FP module.

5.4L (4V) vehicles

5. Remove the heat shrink tube covering the fuel level sender wire electrical connector.
- Note the fuel level sender wire routing for installation.





6. Disconnect the fuel level sender wire electrical connector.





7. Remove the screw, the fuel level sender ground wire and lift up on the fuel level sender to remove it from the FP module.
- Note the fuel level sender wire routing for installation.

Installation

5.4L (4V) vehicles

1. Install the fuel level sender, fuel level sender ground wire and tighten the screw.

2. Slide the heat shrink tube onto the wire harness and connect the fuel level sender wire electrical connector.





3. WARNING: Do not use an open flame to shrink the heat shrink tube. Use a heat gun only. Fuel residue may be ignited if an open flame is used. Failure to follow this instruction may result in serious personal injury.

Using a heat gun, shrink the heat shrink tube.





3.7L and 5.0L (4V) vehicles

4. Install the fuel level sender onto the FP module.

5. Position the wires into the retention clip.

6. Connect the fuel level sender electrical connector.

All vehicles

7. Install the FP module. For additional information, refer to Fuel Pump Module Fuel Pump Module.