lemon-mirror:
Home >> Ford >> 2011 >> Fusion FWD L4-2.5L >> Repair and Diagnosis >> Wiper and Washer Systems >> Diagrams >> Exploded Views

Exploded Views




Wiper and Washer System - Exploded View

Windshield Wipers









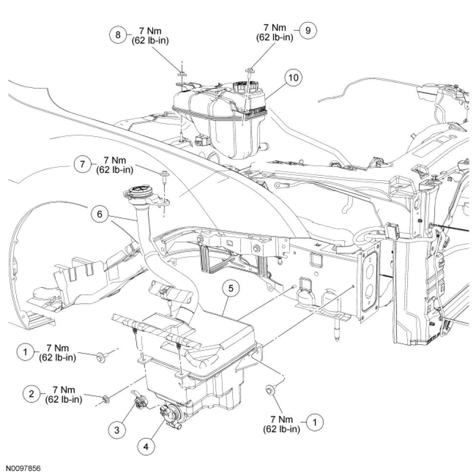
Washer Pump and Reservoir - Hybrid









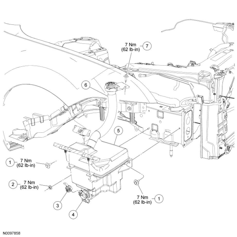
Washer Pump and Reservoir - Non-Hybrid