lemon-mirror:
Home >> Ford >> 2011 >> Flex FWD V6-3.5L >> Repair and Diagnosis >> Specifications >> Mechanical Specifications >> Alignment >> Alignment Specifications

Alignment Specifications




Ride Height Specifications






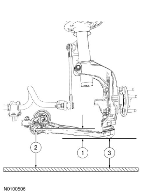
Measuring Points - Front











Measuring Points - Rear











NOTE: Make sure that the vehicle is positioned on a flat, level surface and the tires are inflated to the correct pressure. The vehicle should have a full tank of fuel.

Alignment Specifications





a Camber Total/Split = LH Camber - RH Camber
b Caster Total/Split = LH Caster - RH Caster

Torque Specifications