lemon-mirror:
Home >> Ford >> 2011 >> Flex FWD V6-3.5L >> Repair and Diagnosis >> Diagrams >> Exploded Views >> Utility Storage Compartment

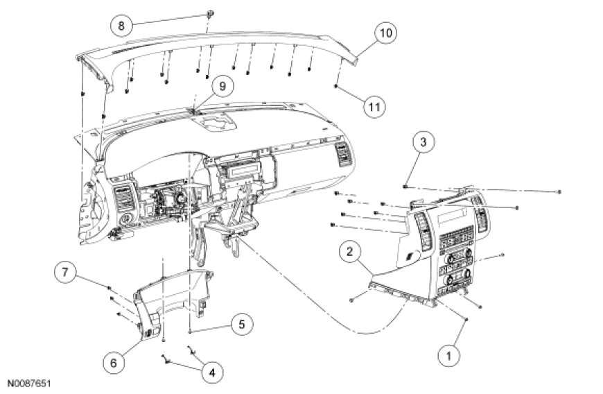
Utility Storage Compartment




Instrument Panel - Exploded View

Instrument Panel Finish Panels and Fasteners









Instrument Panel Trim Panels, Finish Panels and Electrical Connectors









Instrument Panel and Instrument Cluster Finish Panels









Instrument Panel Upper Section