lemon-mirror:
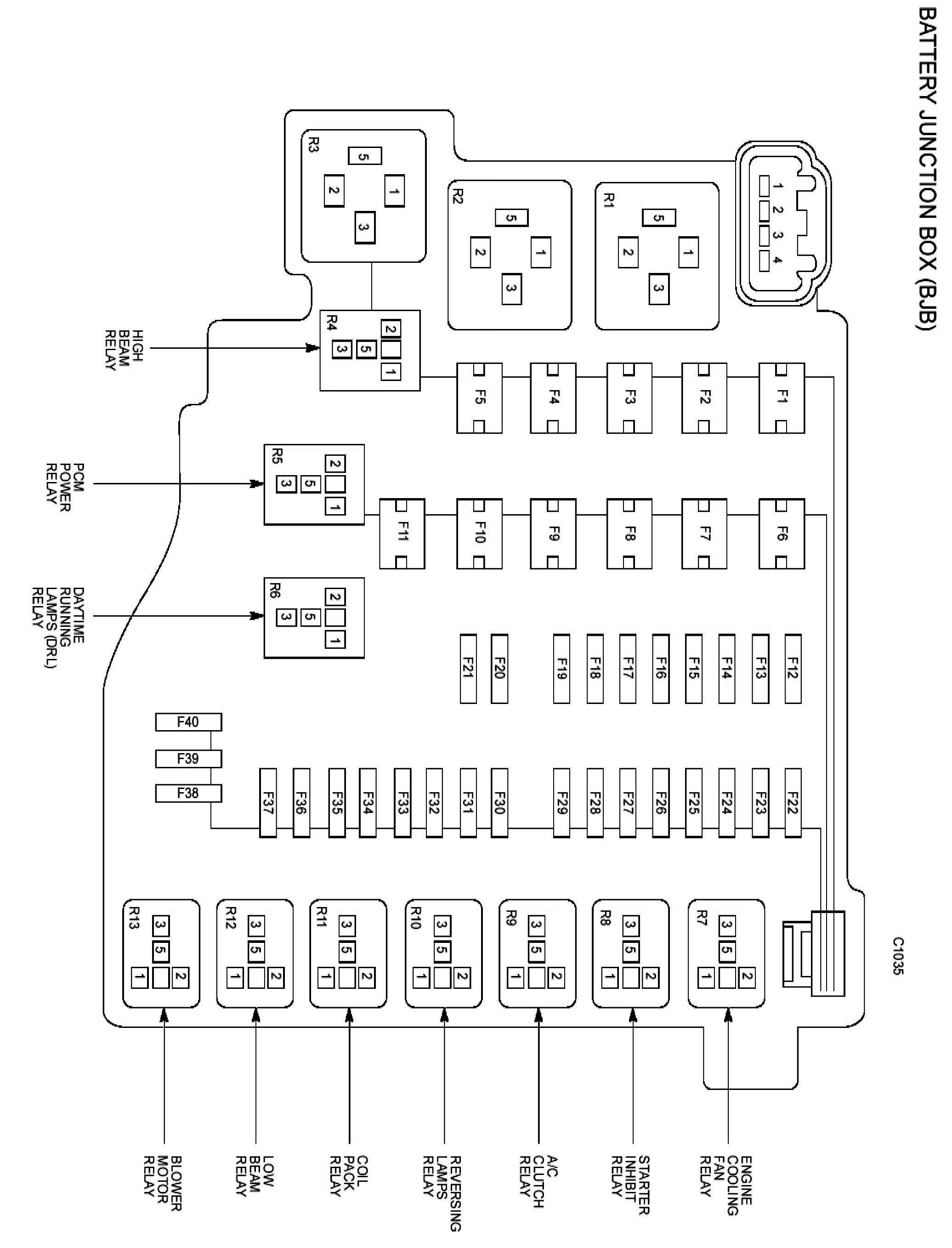
Home >> Ford >> 2011 >> Fiesta L4-1.6L >> Repair and Diagnosis >> Powertrain Management >> Computers and Control Systems >> Main Relay (Computer/Fuel System) >> Locations

Main Relay (Computer/Fuel System): Locations