lemon-mirror:
Home >> Ford >> 2011 >> F 150 2WD V8-6.2L >> Repair and Diagnosis >> Diagrams >> Exploded Views >> Computers and Control Systems >> Knock Sensor

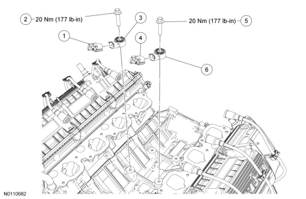
Knock Sensor




Engine Control Components - Exploded View, 6.2L (2V)









Knock Sensor (KS)

NOTE: The intake manifold must be removed to perform this procedure. For additional information, refer to Engine - 6.2L (2V) Service and Repair.









Removal and Installation

1. Refer to the procedures and/or exploded views for any Warnings, Notices, Notes, Materials, Specifications, and Special Tools. Items in the exploded views may not be listed in order of removal.