lemon-mirror:
Home >> Ford >> 2011 >> Explorer AWD V6-3.5L >> Repair and Diagnosis >> Diagrams >> Connector Views >> Humidity Sensor >> C2247 In-Vehicle Temperature / Humidity Sensor

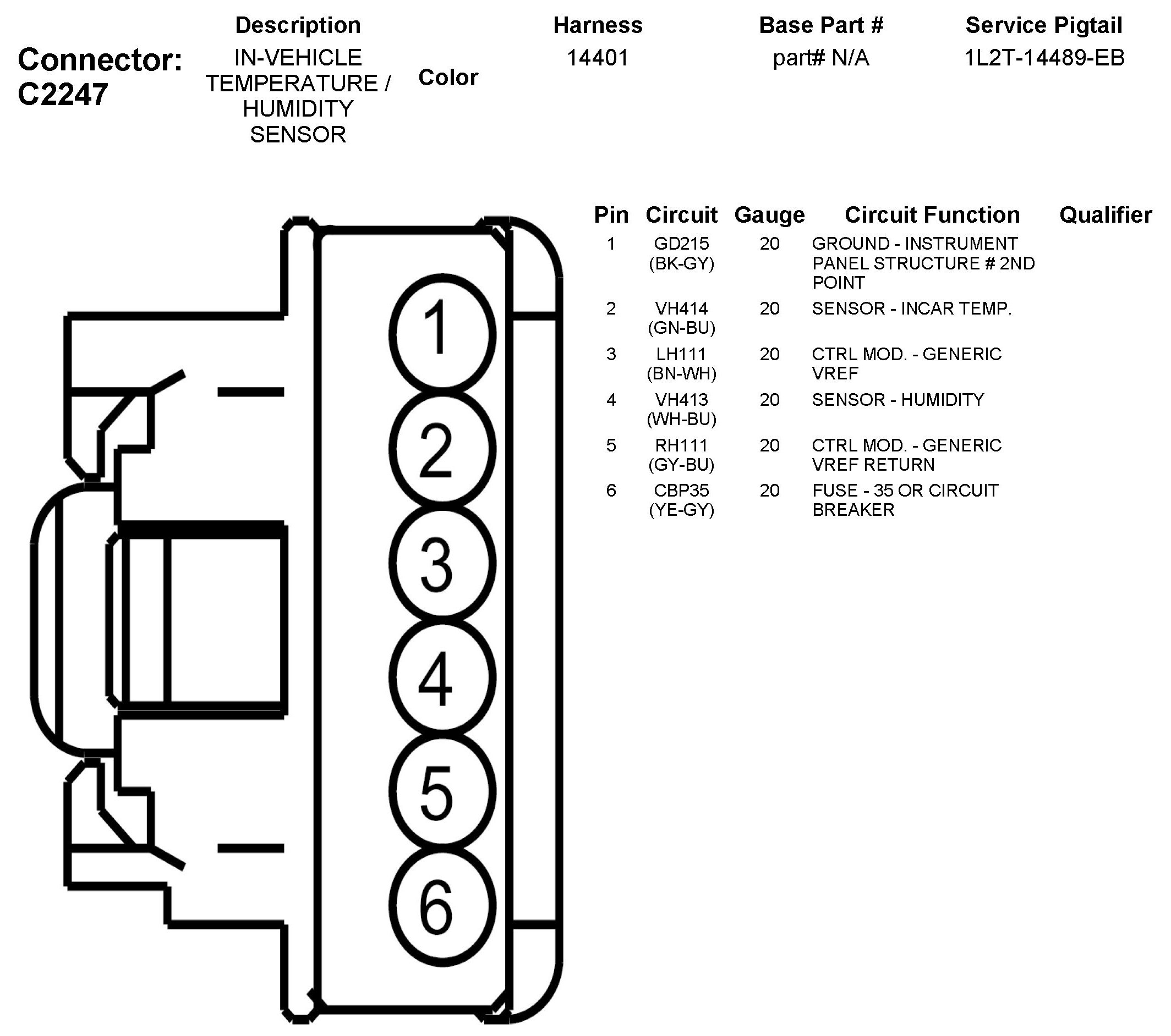
C2247 In-Vehicle Temperature / Humidity Sensor