lemon-mirror:
Home >> Ford >> 2011 >> Expedition 2WD V8-5.4L >> Repair and Diagnosis >> Starting and Charging >> Starting System >> Ignition Switch >> Service and Repair

Ignition Switch: Service and Repair




Ignition Switch

Power Tilt Column









Manual Tilt Column









All vehicles

1. Depower the Supplemental Restraint System (SRS). For additional information, refer to Supplemental Restraint System Supplemental Restraint System (SRS) Depowering and Repowering.

2. Remove the steering column shroud. For additional information, refer to Steering Column Steering Column Shroud.

Vehicles with manual tilt

3. Position the steering column in the full down position.

4. Remove the steering wheel. For additional information, refer to Steering Column Removal and Replacement.

All vehicles

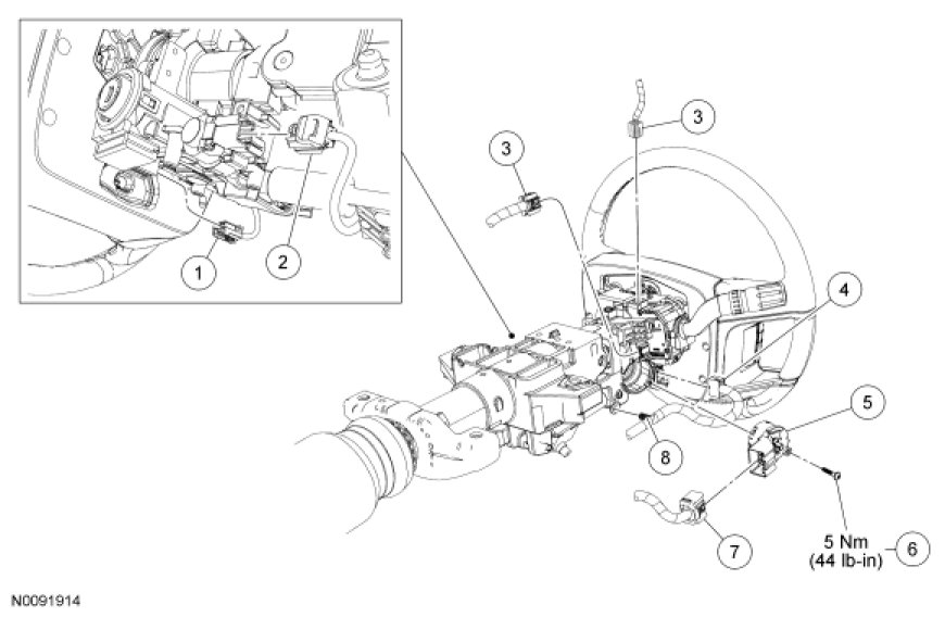
5. Detach the wiring harness retainer from the steering column.

6. Disconnect the following electrical connectors.
- Multifunction switch (2)

- Clockspring

- Passive Anti-Theft System (PATS) connector

- Key release interlock actuator (if equipped)

7. Disconnect the ignition switch electrical connector.

Vehicles with manual tilt

8. Remove the 3 bolts and the multifunction switch carrier.

All vehicles

9. Remove the screw and the ignition switch.
- To install, tighten to 5 Nm (44 lb-in).

10. NOTICE: Make sure the electrical wiring harness is routed correctly and secured to the steering column or damage to the wires and/or connectors may occur.

To install, reverse the removal procedure.

11. Repower the SRS. For additional information, refer to Supplemental Restraint System Supplemental Restraint System (SRS) Depowering and Repowering.