lemon-mirror:
Home >> Ford >> 2011 >> Edge FWD V6-3.7L >> Repair and Diagnosis >> Diagrams >> Exploded Views >> Seat Back

Seat Back




Seat - Exploded View, Front

Front Seat Backrest, Manual and Power Recline, Without Fold Flat

NOTE: Driver backrest shown, passenger similar.

NOTE: Manual recliners without fold-flat backrest are serviced with the backrest frame. Power recliners without fold-flat backrest are serviced separately.

NOTE: A new heater mat will come assembled on a new foam pad.











Front Seat Backrest, Manual Recline With Fold Flat

NOTE: Optional backrest on passenger seat only.

NOTE: Manual recliners with fold-flat backrest are serviced separately.

NOTE: A new heater mat will come assembled on a new foam pad.











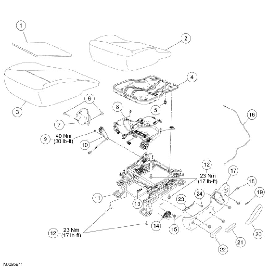
Seat Cushion With Power Seat Track

NOTE: Driver seat shown, passenger similar.

NOTE: A new heater mat will come assembled on a new foam pad.











Driver Seat Cushion With Manual Seat Track

NOTE: A new heater mat will come assembled on a new foam pad.











Passenger Seat Cushion With Manual Seat Track

NOTE: A new heater mat will come assembled on a new foam pad.











Passenger Power Seat Track

NOTE: To install a new Occupant Classification System Module (OCSM) or an Occupant Classification Sensor (OCS) weight sensor bolt, refer to the appropriate procedure in Supplemental Restraint System Removal and Replacement or Service and Repair.