lemon-mirror:
Home >> Ford >> 2011 >> Edge FWD V6-3.7L >> Repair and Diagnosis >> Diagrams >> Exploded Views >> Air Filter Element

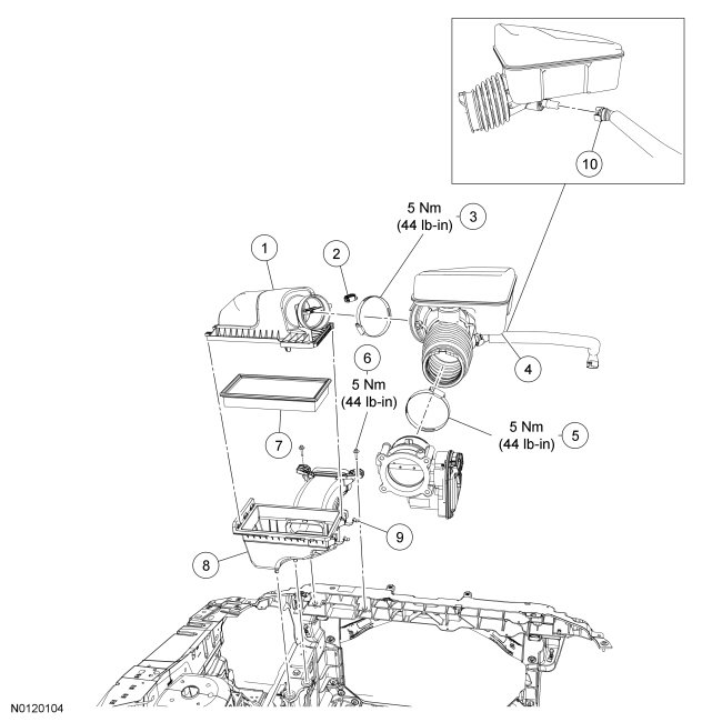
Air Filter Element




Intake Air System Components - Exploded View









1. Refer to the procedures and/or exploded views for any Warnings, Notices, Notes, Materials, Specifications, and Special Tools. Items in the exploded views may not be listed in order of removal.