lemon-mirror:
Home >> Ford >> 2011 >> Edge FWD V6-3.5L >> Repair and Diagnosis >> Diagrams >> Exploded Views >> Utility Storage Compartment

Utility Storage Compartment




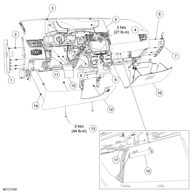
Instrument Panel - Exploded View

Edge Instrument Panel









Edge Instrument Panel Fasteners









MKX Instrument Panel









MKX Instrument Panel Fasteners