lemon-mirror:
Home >> Ford >> 2011 >> E 150 V8-5.4L >> Repair and Diagnosis >> Powertrain Management >> Computers and Control Systems >> Knock Sensor >> Service and Repair

Knock Sensor: Service and Repair




Knock Sensor (KS)

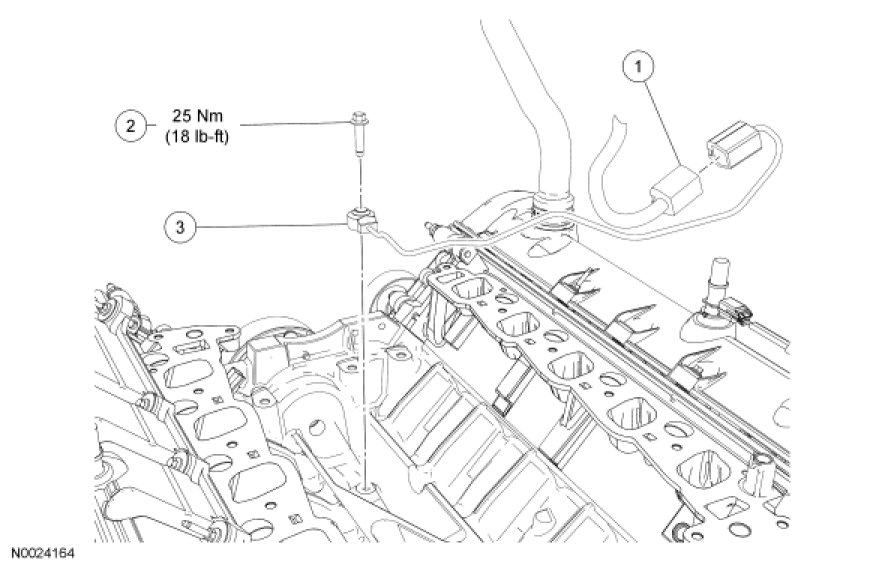
NOTE: 6.8L shown, 4.6L and 5.4L similar.











Removal and Installation

1. Remove the intake manifold. For additional information, refer to Engine - 4.6L (2V) Removal and Replacement for 4.6L, Engine - 5.4L (2V) Removal and Replacement for 5.4L or Engine - 6.8L Removal and Replacement for 6.8L engines.

2. Disconnect the Knock Sensor (KS) electrical connector.

3. Remove the bolt and the KS.
- To install, tighten to 25 Nm (18 lb-ft).

4. To install, reverse the removal procedure.